EasyManua.ls Logo

Samsung SCL770 - Ass’y Deck and Main PCB Removal

Samsung SCL770
174 pages
Print Icon
To Next Page IconTo Next Page
To Next Page IconTo Next Page
To Previous Page IconTo Previous Page
To Previous Page IconTo Previous Page
Loading...
Samsung Electronics 3-9
Disassembly and Reassembly
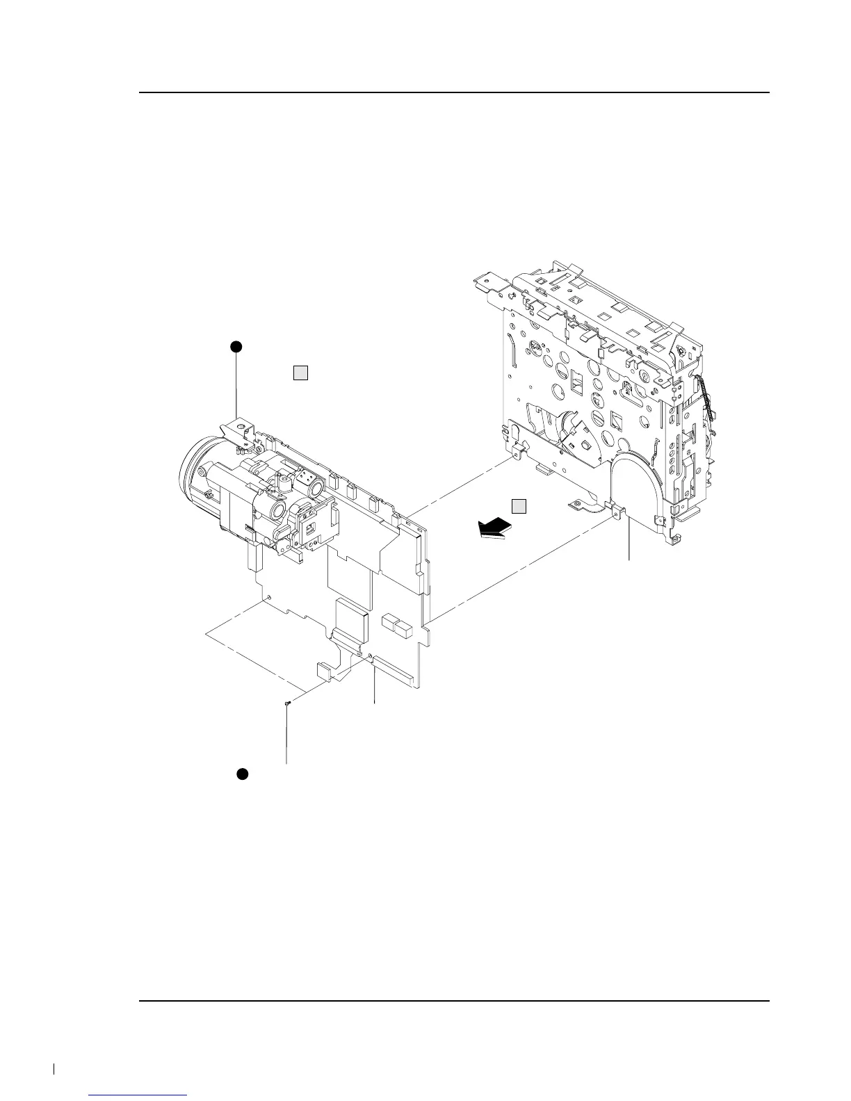
3-1-9 Ass’y Deck and Main PCB Removal
DISCONNECT THE FPC
FROM THE MAIN PCB.
REMOVE THE 2 SCREWS.
DISCONNECT CONNECTOR
FROM THE HEAD-DRUM.
1
PULL OUT THE MAIN PCB FROM
THE ASS’Y DECK IN THE DIRECTION OF
ARROW .
2
A
A
Fig. 3-9 Ass’y Deck and Main PCB Removal

Table of Contents

Related product manuals