EasyManua.ls Logo

Samsung SCL770 - Ass’y Camera Removal

Samsung SCL770
174 pages
Print Icon
To Next Page IconTo Next Page
To Next Page IconTo Next Page
To Previous Page IconTo Previous Page
To Previous Page IconTo Previous Page
Loading...
Samsung Electronics3-10
Disassembly and Reassembly
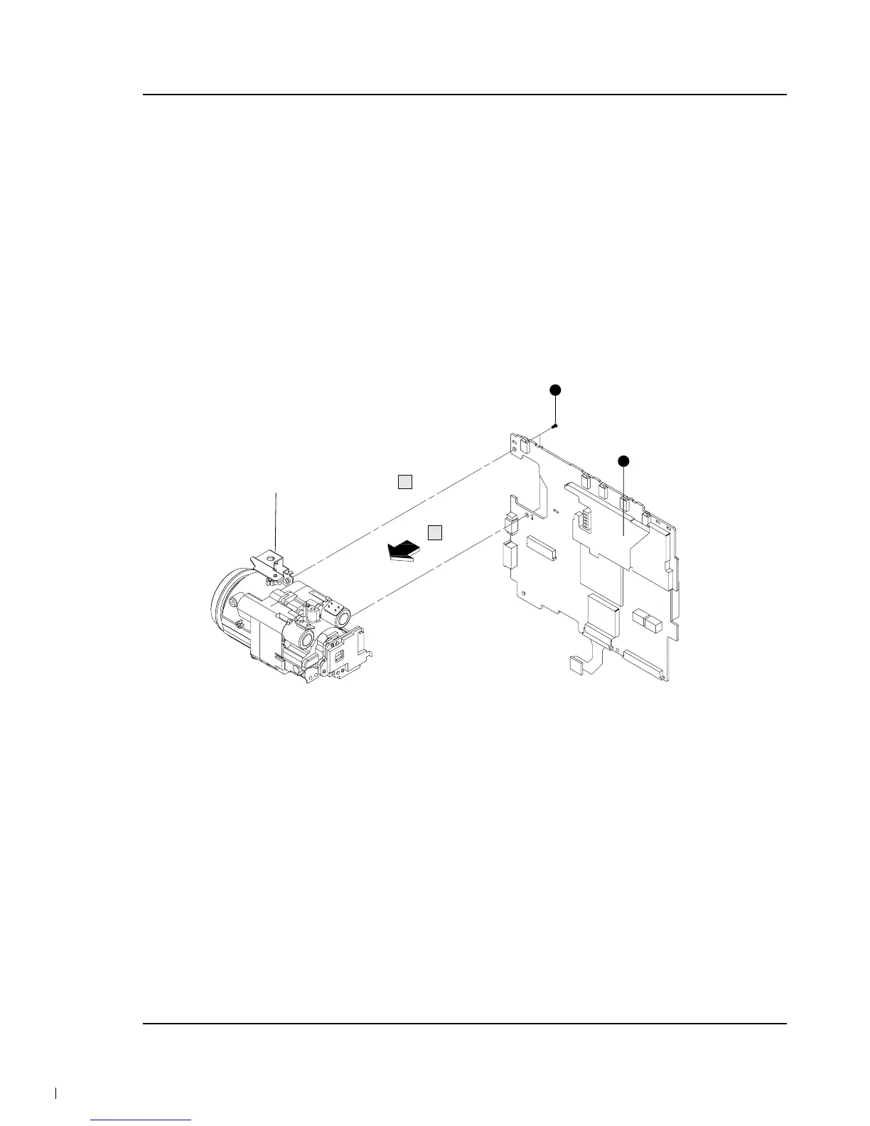
3-1-10 Ass’y Camera Removal
Fig. 3-10 Ass’y Camera Removal
1
REMOVE 2 SCREWS.
2
REMOVE SOLDER WITH
AN IRON TO ISOLATE
SHIELD-CASE AND LENS.
A
DISCONNECT CONNECTOR AND PULL OUT THE
ASS’Y LENS IN THE DIRECTION OF ARROW .
A

Table of Contents

Related product manuals