EasyManua.ls Logo

SATO S84 - Simple Standalone Mode

SATO S84
298 pages
Print Icon
To Next Page IconTo Next Page
To Next Page IconTo Next Page
To Previous Page IconTo Previous Page
To Previous Page IconTo Previous Page
Loading...
4 Operation and Configuration
64
S84-ex/S86-ex Operator Manual
4.2.7
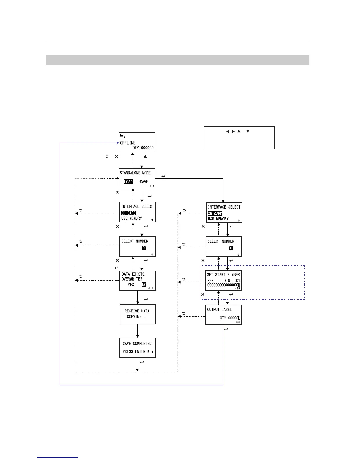
Simple Standalone Mode
This mode allows the printer to function independently from a host computer once a fixed format has
been sent and saved to the SD card or USB memory.
The data may be saved to the SD card or USB memory while in the print buffer, then recalled later with a
new print quantity specified. The SD card or USB memory can hold a maximum of nine formats.
However, one file number will only hold a single format; new format will overwrite the existing saved
format. The host computer must be reconnected to the printer to overwrite an existing format.
The flowchart shows the sequence of the setting screens for the simple standalone mode. The table
describes each setting screen in detail.
* Press the , , or button to
select an item or set the value
accordingly. The active arrow icons
are shown on the screen.
or button
button
button
button
button
Select LOAD
+ button
Select SAVE
+ button
button
button
button
button
button
(Press for 5 seconds)
Select YES
+ button
button
button
button
button
button
button
button
button
button
button
button
Shows only when there is
sequential data.
Select NO + button
button

Table of Contents

Related product manuals