EasyManua.ls Logo

Siemens 6RA7086-6KS22

Siemens 6RA7086-6KS22
734 pages
To Next Page IconTo Next Page
To Next Page IconTo Next Page
To Previous Page IconTo Previous Page
To Previous Page IconTo Previous Page
Loading...
05.05 Function diagrams
SIEMENS AG 6RX1700-0AD76 8-29
SIMOREG DC Master Operating Instructions
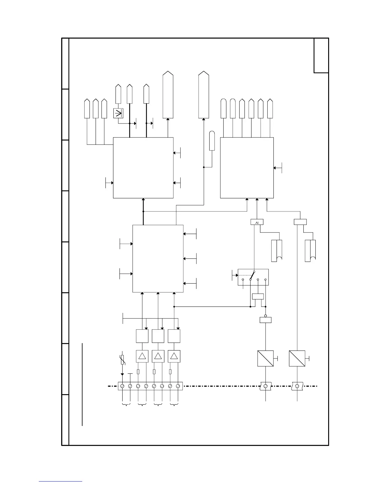
Sheet G145 Pulse generator evaluation
87564321
26
27
28
29
30
31
32
33
M
COMP
X > Y
COMP
X > Y
COMP
X > Y
P15
200mA max.
- G145 -
X173
24V
5V
M
24V
5V
M
CUD2
CUD1
CUD1
IRES
1
1
0
2
3
&
0
[G110.5]
[G111.5]
1
<3>
<4>
&
[G151.1]
[B152.1]
K0040
B0052
K0043
K0044
K0042
K0041
P144.F
P145.F
P141P140
P142
5V/15V (0/1)
P143.F P147.F
P146.F
r024
P451.F
P148.F
X171
X163
39
40
K0910
K0911
K0912
P453.B (1)
B
P452.B (0)
B
P450.F
KK0046
B0053
B0054
K0048
n024.001
see also Sheet
"Binary inputs 2"
Track 1
Track 2
Zero marker
No. of
encoder
pulses
Actual speed value
from pulse encoder
Pulse encoder evaluation
Pulse encoder evaluation
Position LOW <1>
Position HIGH <1>
No. of zero markers
Pulse
encoder
type
Maximum
speed
Multiple
evalution of
encoder signals
Aut.switchover
of multiple
evaluation
Measuring
time
Reset
position counter
Position counter
hysteresis
Automatic switchover
of measuring time
Speed measurement
Position sensing
Pulse encoder
supply
<1> Value range
FF80 0000H to 007F FFFFH
(= -8388608 to +8388607 dec)
Pulse encoder
monitoring
ON/OFF
1 = "Fault F048"
with fault value 1
Pulse encoder faulty
Fault in speed measurement
with pulse encoder
Adjustment to pulse
encoder supply
Enable counter
for zero markers
(1 = enable)
Reset position counter
(dependent on setting
in parameter P450)
(0 = reset)
1 = "Fault F048"
with fault value 2
Raw data of pulse encoder evaluation
Measuring time
Number of pulses
Status register
see also Sheet
"Binary inputs 1"
Position <2>
Overflow
Underflow
<2> Value range
8000 0000H to 7FFF FFFFH
<3> Position counter
0=enable
1=reset (K0042, K0043, K0046:=0)
<4> Counter for zero markers
0=reset (K0044:=0)
1=enable
Actual speed value
from pulse encoder
in rpm

Table of Contents

Related product manuals