EasyManua.ls Logo

Siemens 6RA7086-6KS22

Siemens 6RA7086-6KS22
734 pages
To Next Page IconTo Next Page
To Next Page IconTo Next Page
To Previous Page IconTo Previous Page
To Previous Page IconTo Previous Page
Loading...
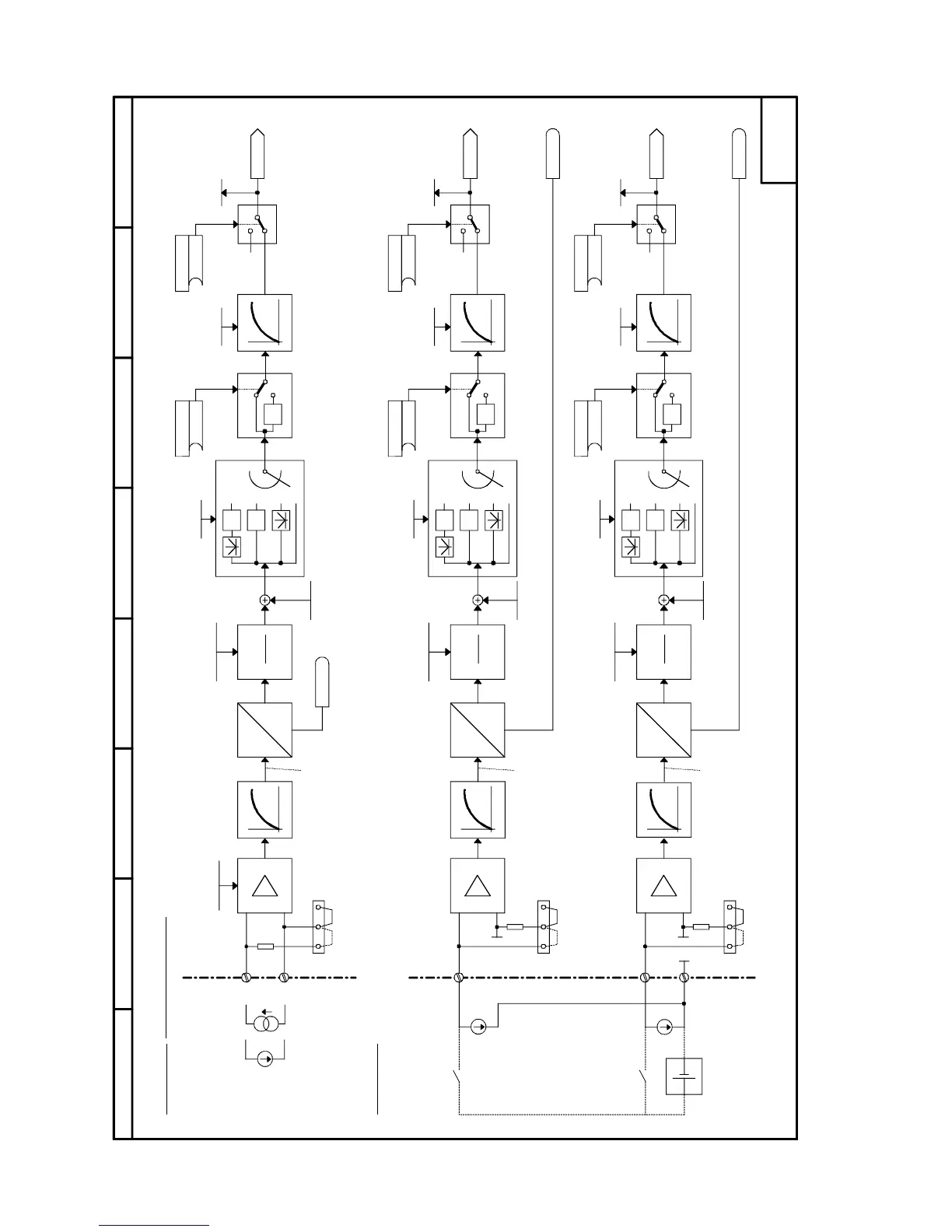
Function diagrams 05.05
8-114 SIEMENS AG 6RX1700-0AD76
SIMOREG DC Master Operating Instructions
Sheet Z112 1
st
EB1: Analog inputs
8
7
564321
i
±10V
u
±20mA
0
1
U756.1
100%
*
10V =100%
20mA=100%
-1
-1
1
2
3
0
-1
0%
A
D
1
0
50
51
(|i|
2mA)
- Z112 -
123
X488
0
1
U756.2
100%
*
10V=100%
-1
-1
1
2
3
0
-1
0%
A
D
1
0
52
123
X486
0
1
U756.3
100%
*
10V=100%
-1
-1
1
2
3
0
-1
0%
A
D
1
0
53
123
X487
54
±10V
±10V
24V
+
-
AI1
AI2
AI3
-100,00...100,00%
U757.1 (0,00)
U758.1 (0)
0...10000ms
U760.1 (0)
-1000,0...1000,0
U756.1(100,0)
n762.1
K5101
U761.1 (1)
B
U759.1 (0)
B
B5101
(0/1=10V/20mA)
U755.1 (0)
20mA 10V
-100,00...100,00%
U757.2 (0,00)
U758.2 (0)
0...10000ms
U760.2 (0)
-1000,0...1000,0
U756.2(100,0)
n762.2
K5102
U761.2 (1)
B
U759.2 (0)
B
B5102
10V
-100,00...100,00%
U757.3 (0,00)
U758.3 (0)
0...10000ms
U760.3 (0)
-1000,0...1000,0
U756.3(100,0)
n762.3
K5103
U761.3 (1)
B
U759.3 (0)
B
B5103
10V
Standardization
Offset
Sign reversal
Analog input
connection
Open circuit
Hardware
smoothing 220 µs
Signal type
13 bits + sign
Time constant
Smoothing
Standardization
Offset
Sign reversal
Analog input
connection
Hardware
smoothing 220 µs
13 bits + sign
Time constant
Smoothing
High at input (voltage at term. 52 > 8V)
Digital input
Standardization
Offset
Sign reversal
Analog input
connection
Hardware
smoothing 220 µs
13 bits + sign
Time constant
Smoothing
High at input (voltage at term. 53 > 8V)
Digital input
Analog inputs (to ground)
also usable as digital inputs
Digital inputs
24V
Analog inputs
±10V
Analog input 1 (differential input)
1st EB1:
1st EB1:

Table of Contents

Related product manuals