EasyManua.ls Logo

Skyjack SJ12 E - Platform Control Box Wiring

Skyjack SJ12 E
170 pages
Print Icon
To Next Page IconTo Next Page
To Next Page IconTo Next Page
To Previous Page IconTo Previous Page
To Previous Page IconTo Previous Page
Loading...
44
SJ12 E, SJ16 E, SJ20 E
241914ACA
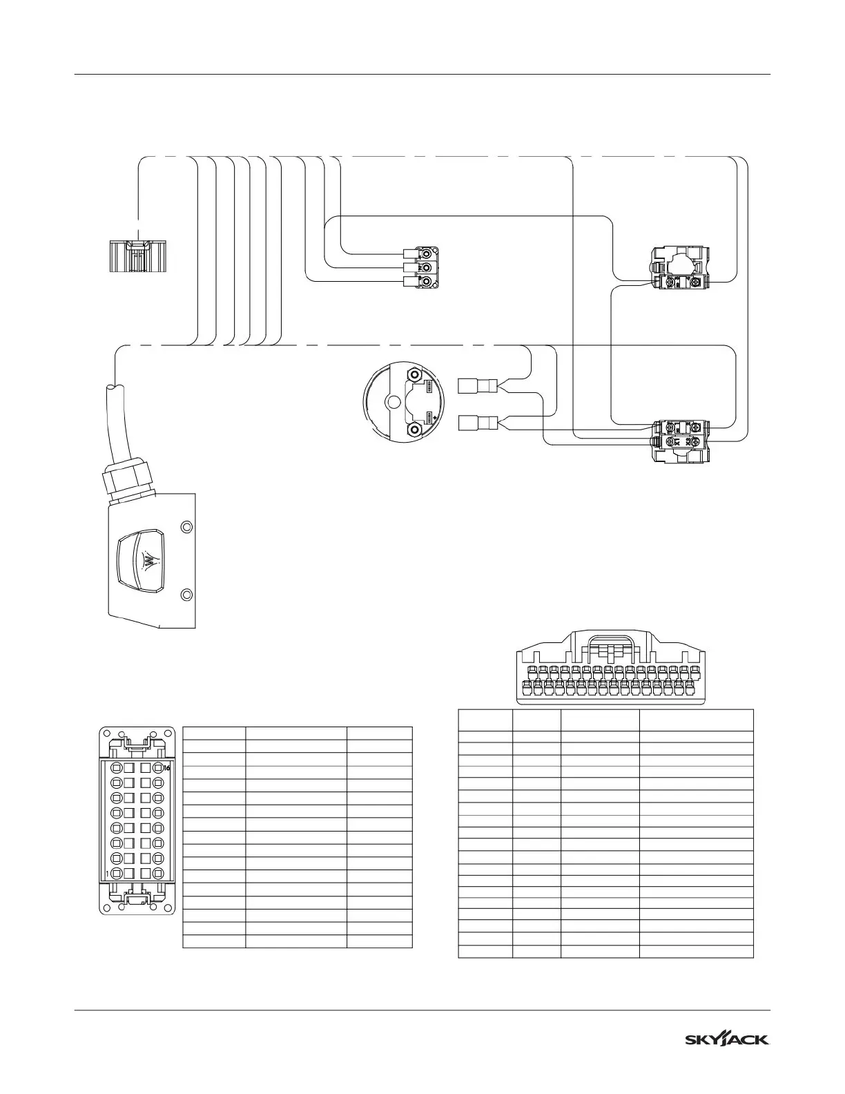
Section 3 – System Component Identication and Schematics Platform Control Box Wiring
3.7 Platform Control Box Wiring
M234028AD
08
60
49
12
08
09
07
00
JOYSTICK
S4 - EMERGENCY STOP
S8 - HORN
S3 - LIFT/OFF/DRIVE
08
00
00
08
08
08
POSITION COLOUR CIRCUIT
1 RED 07
2
PURPLE/WHITE
08
3
PURPLE/WHITE
08C
4
PURPLE/WHITE
08C
5
PURPLE/WHITE
08C
6
GREY/ORANGE
12A
7
BLACK/GREEN
51
8
BROWN/WHITE
82
9 YELLOW CAN HI
10 GREEN CAN LO
11 BLACK 120
12
BLACK 120A
13
N/A N/A
14
WHITE 00
15
WHITE 00
16 WHITE 00
POSITION CIRCUIT FUNCTION COLOUR
1-6
N/A N/A N/A
7
12
DRIVE
BROWN/RED
8 49 HORN GREEN
9-14
N/A N/A N/A
15
60 PWR LED
BLACK/RED/GREEN
16 08C PWR
PURPLE/WHITE
17
08 PLTFRM ENBLE
PURPLE/WHITE
18
51
SERVICE POS
BLACK/GREEN
19-21
N/A N/A N/A
22
120 INDOOR LIGHT
BLACK
23 09 LIFT
ORANGE/RED
24 12A
DECK EXT
GRAY/ORANGE
25 82A LOADCELL PWR
BROWN/WHITE
26 CAN LO CAN LOW GREEN
27 CAN HI CAN HIGH YELLOW
28-29
N/A N/A N/A
30 120A SPARE BLACK
31
N/A N/A N/A
32 00 GND WHITE
32 PIN JOYSTICK CONNECTOR
16 PIN JOYSTICK CONNECTOR

Table of Contents

Other manuals for Skyjack SJ12 E

Related product manuals