EasyManua.ls Logo

Skyjack SJ12 E - 5.5 Drive forward or rearward; 5.6 Steer; 5.7 Platform traversing

Skyjack SJ12 E
170 pages
Print Icon
To Next Page IconTo Next Page
To Next Page IconTo Next Page
To Previous Page IconTo Previous Page
To Previous Page IconTo Previous Page
Loading...
53
SJ12 E, SJ16 E, SJ20 E
241914ACA
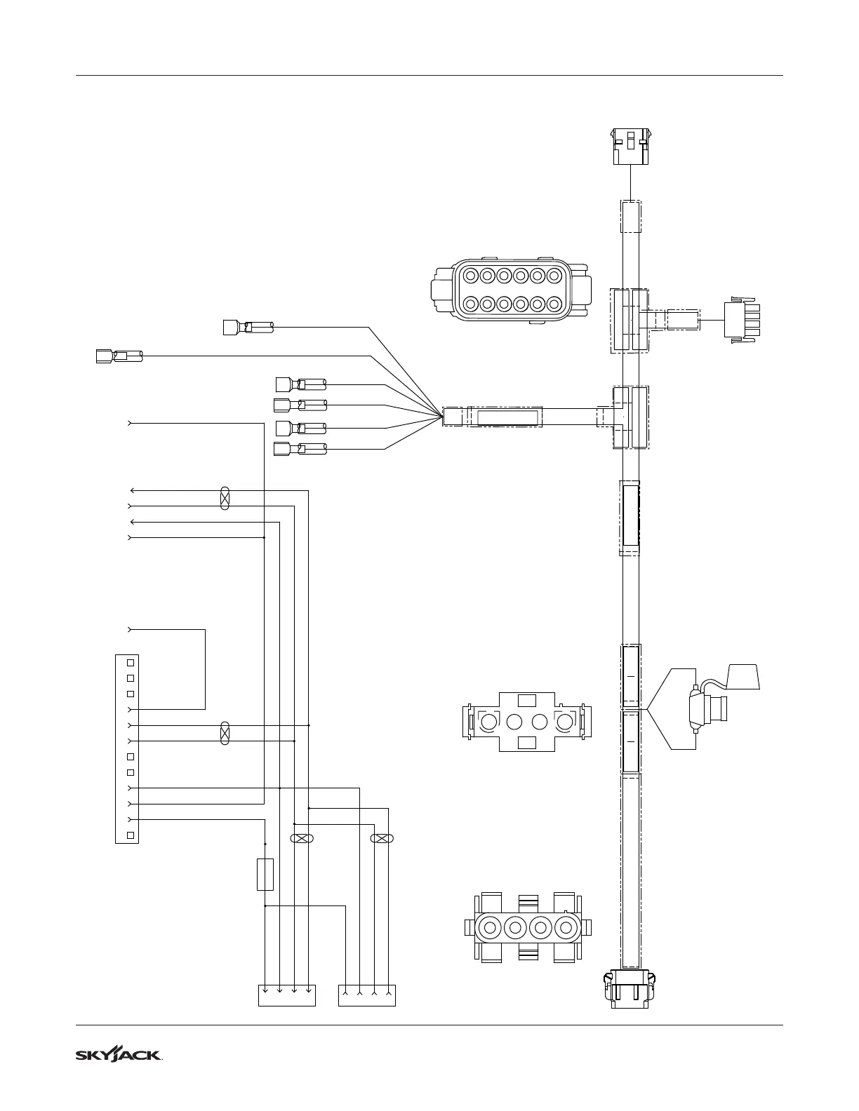
Elevate Telematics Harness Section 3 – System Component Identication and Schematics
3.18 Elevate Telematics Harness
M234262AF
PIN 1 - 08C PURPLE/WHITE
PIN 2 - 00 WHITE
PIN 3 - CAN HI YELLOW
PIN 4 - CAN LO GREEN
1
2
3
4
J1
BACK VIEW
P2
BACK VIEW
1
2
3
4
PIN 1 - 08C PURPLE/WHITE
PIN 2 - 00 WHITE
PIN 3 - CAN HI YELLOW
PIN 4 - CAN LO GREEN
J11
TO TRACKUNIT
TO FUSE HOLDER
(BATTERY POSITIVE)
BMS
CURRENT SENSOR
CANHI-YL-20-STP
CANL-GN-20-STP
08C-PU/WH-18
00-WH-18
CANL-GN-20-STP
CANH-YL-20-STP
00-WH-18
05B-PU/BK-18
05B-PU/BK-18
CANL-GN-20-STP
CANH-YL-20-STP
00-WH-18
05B-PU/BK-18
08D-PU/WH-18
19A-OR/BK-18
SCANH2
SCANL2
S00
S05B
1A FUSE
S08C S08D
19A-OR/BK-18
TO MAIN HRNS
INTERLOCK
P2
CANHI-YL-20-STP
CANL-GN-20-STP
08C-PU/WH-18
00-WH-18
J1
SCANH1
SCANL1
3
2 4
1 6
7
8
9 10
11
12
5
3
2 4
1
3
2
4
1
3
2
4
1
IEC 9.1
05B
TO FUSE SUPPLIED
WITH TRACKUNIT
05B - PURPLE/BLACK
S00
08C 08D
S08C
S08D
J11
TO
TRACKUNIT
CANL
CANH
05B
00
TO BMS HARNESS
05B - PURPLE/BLACK
00 - WHITE
CAN HI - YELLOW
CAN LO - GREEN
TO MAIN
HRNS
INTERLOCK
J1
DIAG
CONN
P2
SCANL1
SCANH1
SCANL2
SCANH2
S05B
1A FUSE
PIN 1 - PLUGGED
PIN 2 - 08D PURPLE/WHITE
PIN 3 - 05B PURPLE/BLACK
PIN 4 - 00 WHITE
PIN 5 - PLUGGED
PIN 6 - PLUGGED
PIN 7 - CANH YELLOW
PIN 8 - CANL GREEN
PIN 9 - 19D WHITE/RED
PIN 10 - PLUGGED
PIN 11 - PLUGGED
PIN 12 - PLUGGED
J11
BACK VIEW
1
2
3
4
5
6
7
8
9
10
11
12

Table of Contents

Other manuals for Skyjack SJ12 E

Related product manuals