EasyManua.ls Logo

Skyjack SJ12 E - 6.3 Use the platform control console from the ground

Skyjack SJ12 E
170 pages
Print Icon
To Next Page IconTo Next Page
To Next Page IconTo Next Page
To Previous Page IconTo Previous Page
To Previous Page IconTo Previous Page
Loading...
A B C D E F G H
V
Z
Y
X
W
56
SJ12 E, SJ16 E, SJ20 E
241914ACA
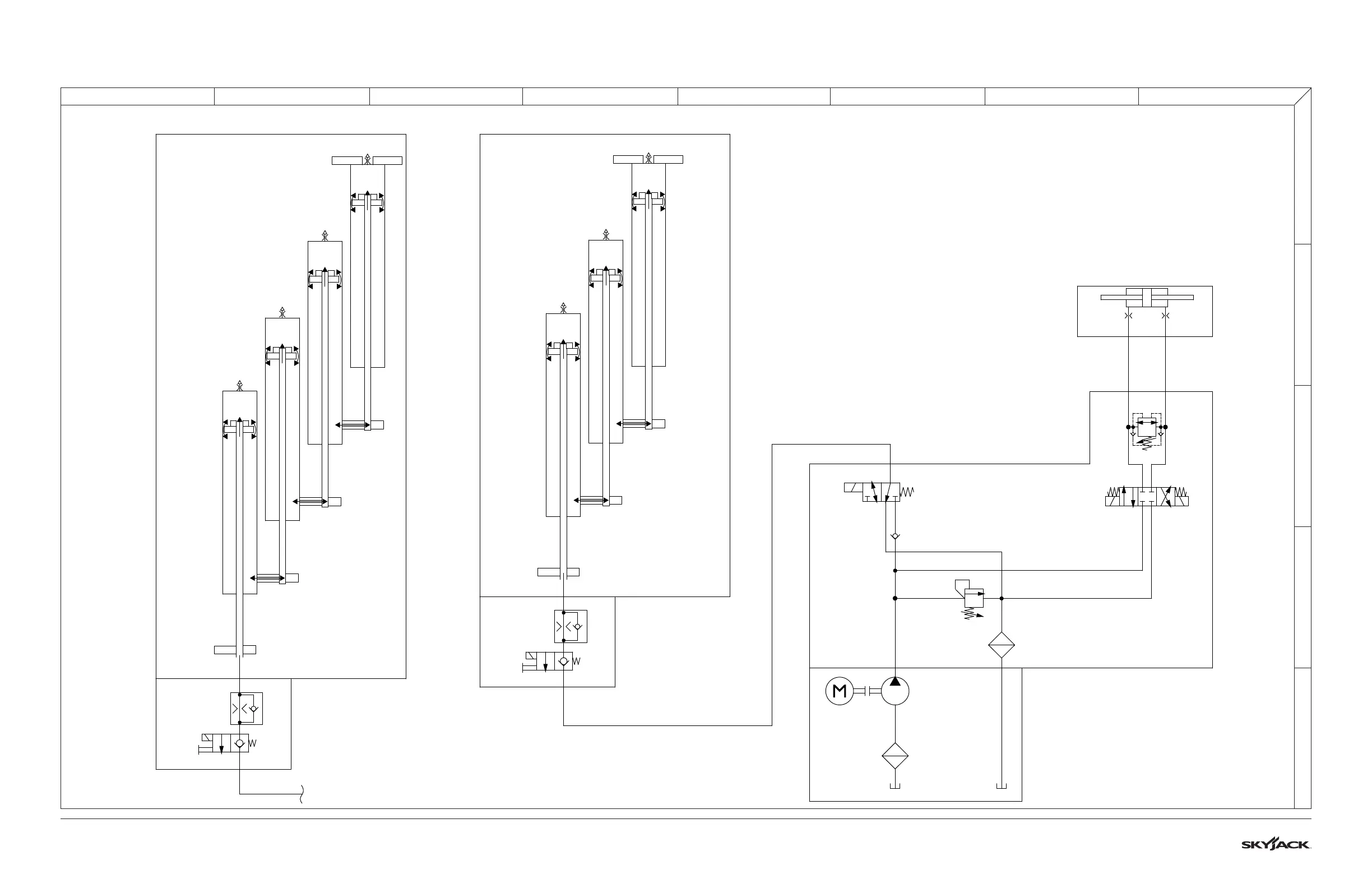
3.21 Hydraulic Schematic
C5
RV2
RV1
CV1
3H-14
4H-23
4H-24
P1
F1
F2
3.59 CC/REV
LIFT
S1
S2
MB1
SV1
SV2
2900 - 6400 RPM
0.04 in
OR2
0.04 in
OR2
2000 psi
STEERING
CYLINDER
3000
psi
0.079 in
OR1
2H-13
SV3
C1
C2
C3
CHASSIS
PLATFORM
LIFT CYLINDER
0.079 in
OR1
2H-13
SV3
C1
C2
C3
C4
LIFT CYLINDER
CHASSIS
PLATFORM
SJ16/20 E SJ12 E
M234001AE

Table of Contents

Other manuals for Skyjack SJ12 E

Related product manuals