EasyManua.ls Logo

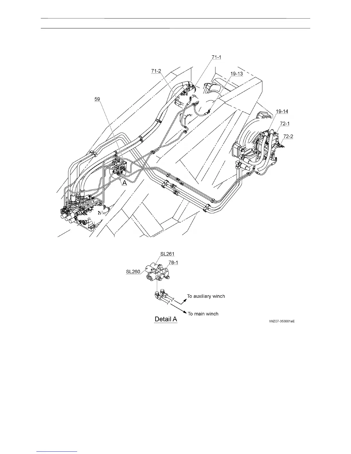
Tadano GR-700N - Hydraulic Parts Location Diagram (Upper; Winch

Tadano GR-700N
200 pages
Print Icon
To Next Page IconTo Next Page
To Next Page IconTo Next Page
To Previous Page IconTo Previous Page
To Previous Page IconTo Previous Page
Loading...
Z-6
Z-6
Hydraulic Parts Location Diagram (Upper)
25
WZ07-3531E
Z-6 Hydraulic Parts Location Diagram (Upper)
1. Winch
2
343-463-51000
0
343-122-60000

Table of Contents

Related product manuals