EasyManua.ls Logo

Tadano GR-700N - Winch Counterbalance Valve; (Main and Auxiliary); Jib Tilt Cylinder

Tadano GR-700N
200 pages
Print Icon
To Next Page IconTo Next Page
To Next Page IconTo Next Page
To Previous Page IconTo Previous Page
To Previous Page IconTo Previous Page
Loading...
Y-4
Y-4
Air Bleeding Procedure
30
WY05-3900E
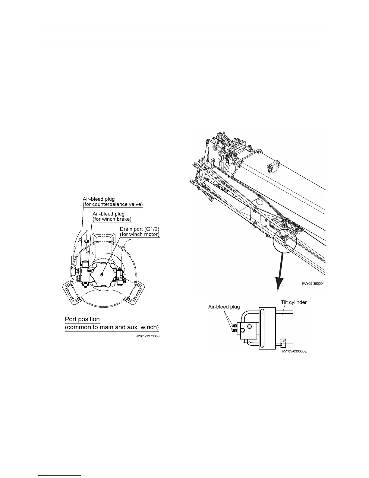
5. Winch counterbalance valve
(main and auxiliary)
[NOTICE]
With both the main and auxiliary winches, bleed the
counterbalance valve according to the procedure
below.
Conditions
Engine speed : Max
PTO : ON
With the air-bleed plug loosened, repeat the
hoisting up and hoisting down operations to
gradually increase the engine speed to the
maximum. When flowing oil contains no more air
bubbles, tighten the air-bleed plug while hydraulic
oil is flowing out.
6. Jib tilt cylinder
1. Mount the jib, and then lower the jib head onto the
ground by the jib tilt lowering operation.
2. Loosen the air-bleed plugs in two positions, then
repeat the jib tilt raising and tilt lowering
operations until the bubbles no longer come out
from either of the two air-bleed plugs.
3. Tighten the air-bleed plugs in two positions, and
raise the boom. Fully extend and fully retract the
jib tilt cylinder repeatedly by jib tilt operation.

Table of Contents

Related product manuals