EasyManua.ls Logo

Tadano GR-700N - Boom Clearance Adjustment

Tadano GR-700N
200 pages
Print Icon
To Next Page IconTo Next Page
To Next Page IconTo Next Page
To Previous Page IconTo Previous Page
To Previous Page IconTo Previous Page
Loading...
Y-6
Y-6
Assembly Adjustment (Crane Operation)
48
WY05-3911E
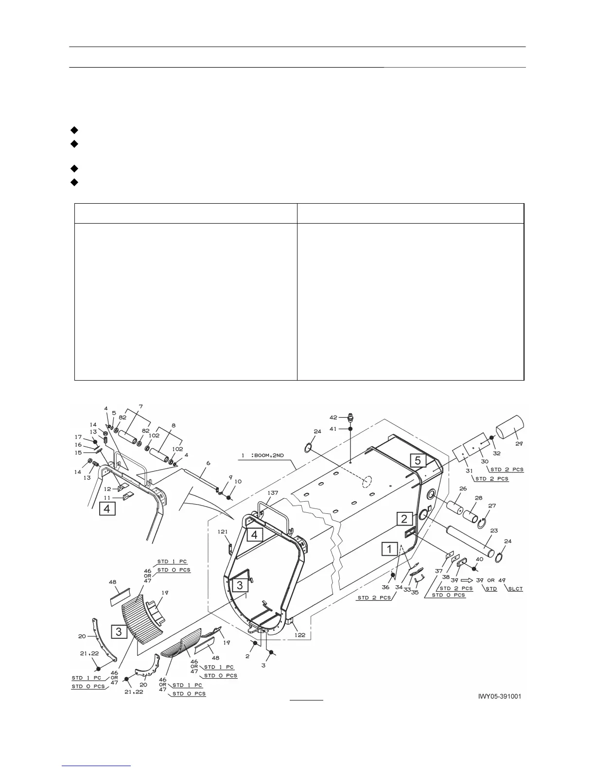
2. Boom clearance adjustment
[NOTICE]
The part numbers and figures in this manual are shown while using the 2nd boom as an example.
All adjustment procedures are the same from the top to 2nd boom sections (except for the upper part of the
boom bottom).
The term "minimum clearance" means the clearance to which the thinnest provided shim cannot be inserted.
With the adjustment work, perform the work in a sequential order with the items listed below. (Refer to
Figure 1.)
4th - top booms
2nd and 3rd booms
[1]: 2.1 Shim adjustment at lower oblique sides of the
boom bottom
[2]: 2.3 Shim adjustment at sides of the boom bottom
[3]: 2.4 Slide plate adjustment at lower part of the
boom head
[4]: 2.5 Clearance adjustment at upper part of the
boom head
[5]: 2.6 Shim adjustment at upper part of the boom
bottom
[2]: 2.8 Clearance check at sides of the boom bottom
[1]: 2.1 Shim adjustment at lower oblique sides of the
boom bottom
[5]: 2.2 Shim adjustment at upper part of the boom
bottom
[2]: 2.3 Shim adjustment at sides of the boom bottom
[3]: 2.4 Slide plate adjustment at lower part of the
boom head
[4]: 2.5 Clearance adjustment at upper part of the
boom head
[5]: 2.7 Clearance check at upper part of the boom
bottom
[2]: 2.8 Clearance check at sides of the boom bottom
Figure 1
(Example: 2nd boom section)

Table of Contents

Related product manuals