EasyManua.ls Logo

Tadano GR-700N - Hydraulic Parts Location Diagram (Torque Converter); Torque Converter Related

Tadano GR-700N
200 pages
Print Icon
To Next Page IconTo Next Page
To Next Page IconTo Next Page
To Previous Page IconTo Previous Page
To Previous Page IconTo Previous Page
Loading...
Z-8.
Z-8.
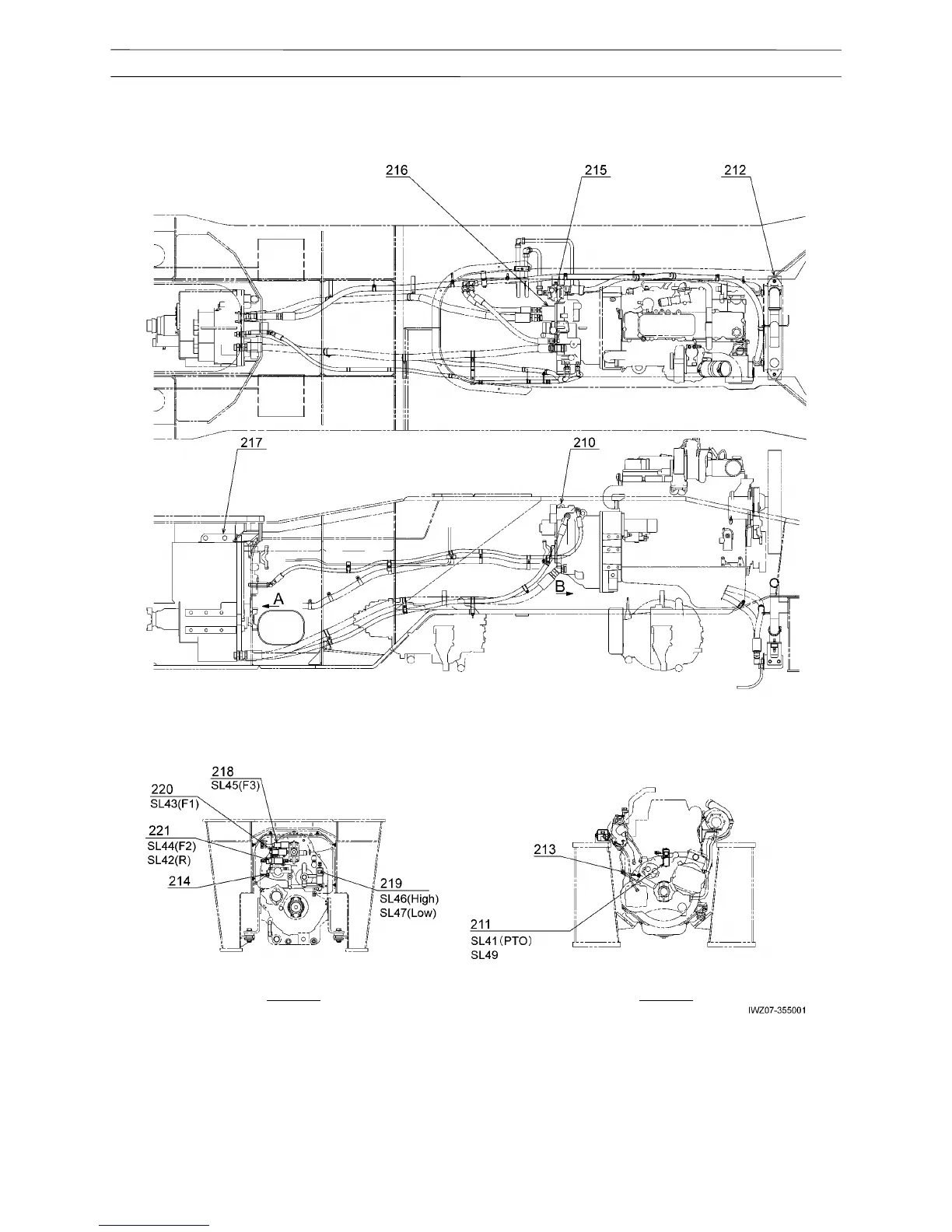
Hydraulic Parts Location Diagram (Torque Converter)
44
WZ07-3550E
Z-8 Hydraulic Parts Location Diagram (Torque Converter)
1. Torque converter related
11
349-315-90000
7
349-229-80000
View B
View A
(Lock up)

Table of Contents

Related product manuals