EasyManua.ls Logo

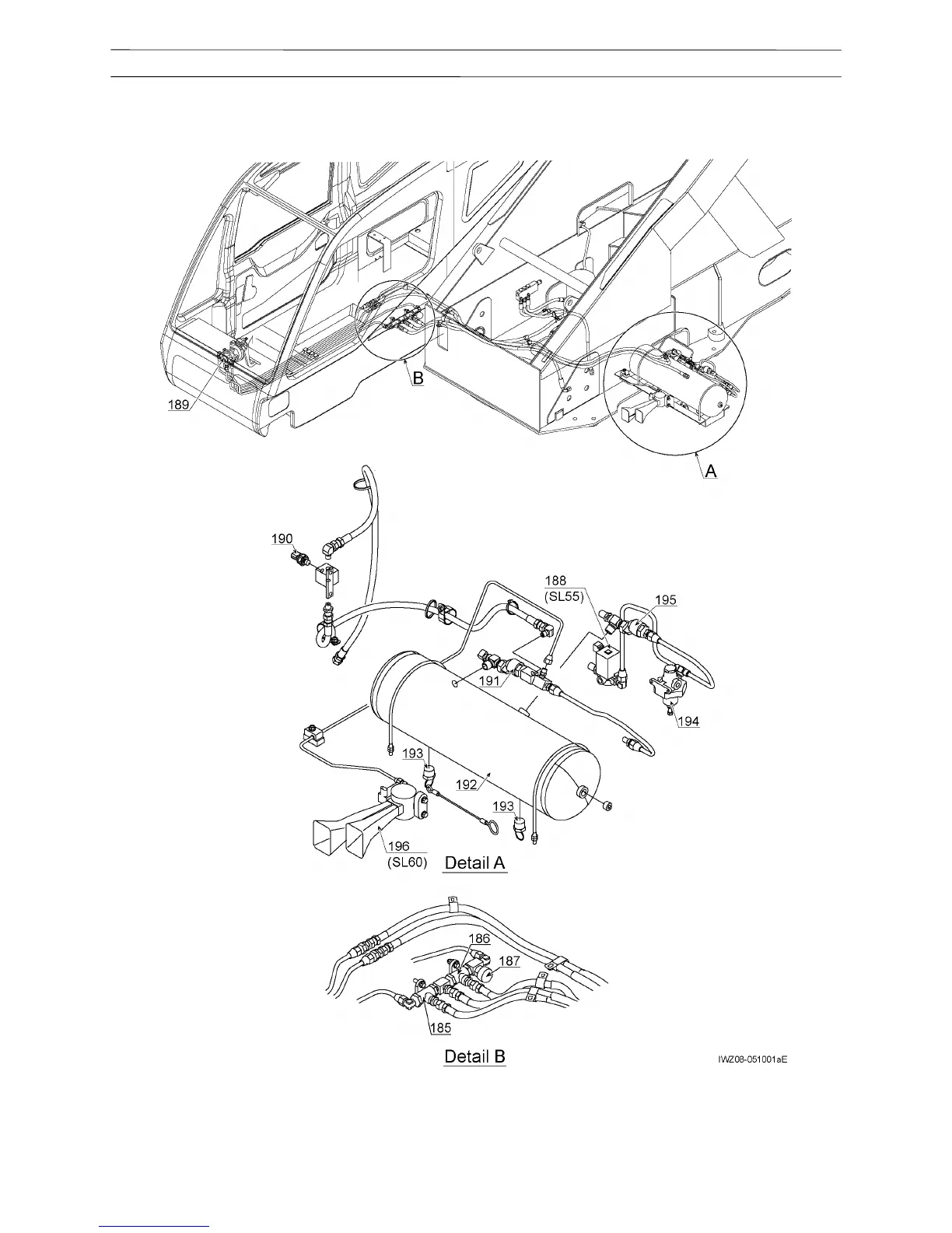
Tadano GR-700N - Pneumatic Parts Location; Diagram; Service Brake Related (Upper)

Tadano GR-700N
200 pages
Print Icon
To Next Page IconTo Next Page
To Next Page IconTo Next Page
To Previous Page IconTo Previous Page
To Previous Page IconTo Previous Page
Loading...
45
WZ08-0510E
Z-9
Z-9
Pneumatic Parts Location Diagram
Z-9 Pneumatic Parts Location Diagram
1. Service brake related (upper)
4
343-463-
30000
2
347-224-20000

Table of Contents

Related product manuals