EasyManua.ls Logo

Tadano GR-700N - Switch Adjustment (Front Left: CN400, CN401) (Rear Left: CN404, CN405)

Tadano GR-700N
200 pages
Print Icon
To Next Page IconTo Next Page
To Next Page IconTo Next Page
To Previous Page IconTo Previous Page
To Previous Page IconTo Previous Page
Loading...
Y-5
Y-5
Adjusting Procedure (Electric)
42
WY04-2071E
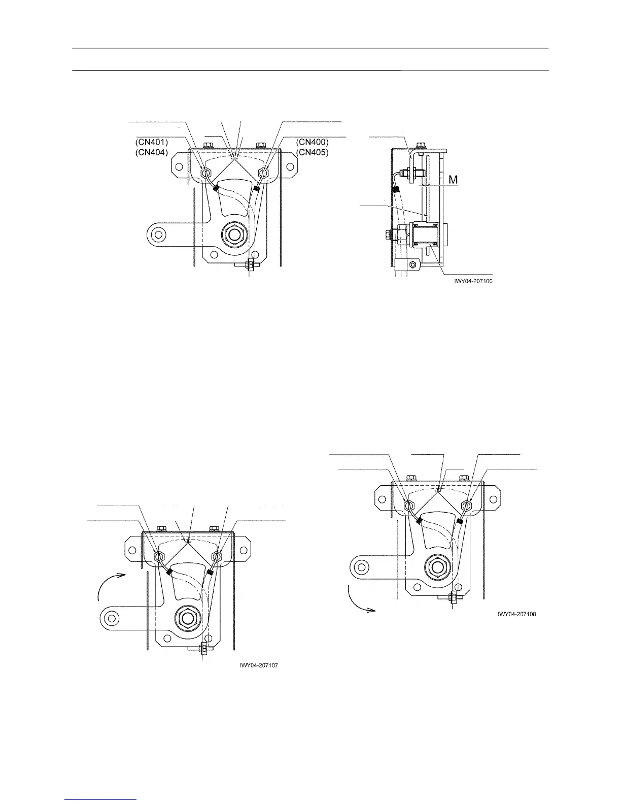
1.11.2 Switch adjustment (front left: CN400, CN401) (rear left: CN404, CN405)
1. Apply a thread locking agent (ThreeBond 1401 or
the equivalent) to the threaded sections of the left
and right switches beforehand.
2. Adjusting left switch (CN401, CN404)
Adjust the clearance M between the left switch
detection face and lever (2.5 mm (0.1 in)) so that
the green LED of left switch becomes
extinguished when the support slot and lever hole
A are aligned by the clockwise turning of
adjustment lever. Then, fix by using the nut.
Nut tightening torque:
19 to 20 N-m {193 to 204 kgf-cm} (14 to 14.8 ft-lbf)
3. Adjusting right switch (CN400, CN405)
Adjust the clearance M between the right switch
detection face and lever (2.5 mm (0.1 in)) so that
the green LED of right switch becomes
extinguished when the support slot and lever hole
C are aligned by the counterclockwise turning of
adjustment lever. Then, fix by using the nut.
Nut tightening torque:
19 to 20 N-m {193 to 204 kgf-cm} (14 to 14.8 ft-lbf)
4. Align the support slot with the lever hole B, and
check that the LED is lit in green with both the left
switch and right switch.
0
347-907-
67000
LED lit in green
Slot
Right switch
Left switch
Hole C
LED extinguished
Slot
Hole A
Right switch
Left switch
LED lit in green
LED extinguished
Right switch
Hole C
Hole B
Hole A
Left switch
Lever
Support
Grease sealed-in
LED lit in green
Slot
LED lit in green

Table of Contents

Related product manuals