EasyManua.ls Logo

Tadano GR-700N - Main Pump (When the Tank Pressurization Tool Is Used); Other (Cylinder); Tank Pressurization Tool

Tadano GR-700N
200 pages
Print Icon
To Next Page IconTo Next Page
To Next Page IconTo Next Page
To Previous Page IconTo Previous Page
To Previous Page IconTo Previous Page
Loading...
Y-4
Y-4
Air Bleeding Procedure
26
WY05-3900E
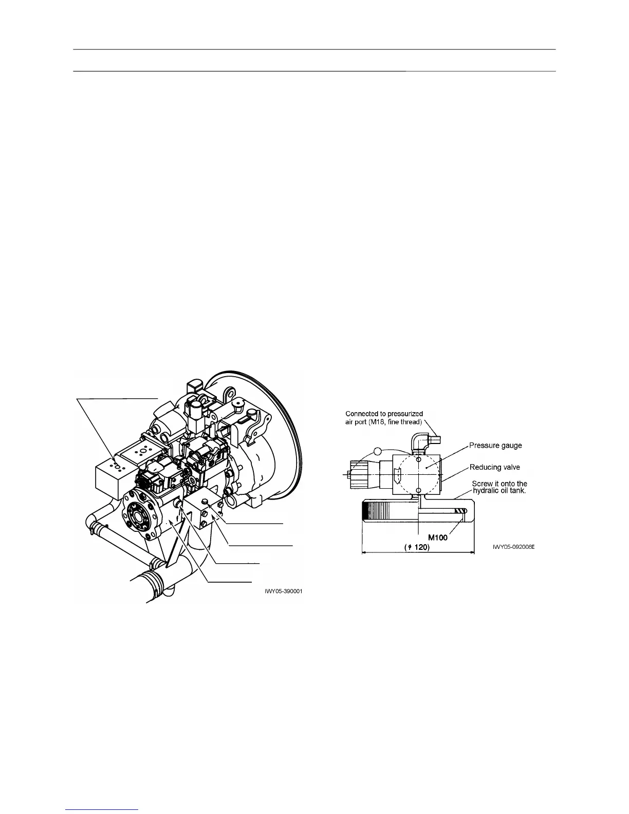
1.3 Main pump
(when the tank pressurization tool is used)
[NOTICE]
Adjust the pressure setting of the tank
pressurization tool to 15 kPa {0.15 kgf/cm²} (2.2 psi).
During work, check the pressure gauge so that the
pressure is within 15 kPa {0.15 kgf/cm²} (2.2 psi).
Never actuate the hydraulic cylinder with the tank
pressurization tool attached.
1. After replacing the hydraulic pump or the hydraulic
oil, check that the oil level is at the specified level.
2. Remove the air breather on the top of the
hydraulic oil tank and attach the tank
pressurization tool.
3. Slowly loosen the air-bleed plug on the suction
flange of the main pump and let the oil with
bubbles flow out.
4. After making sure that flowing oil contains no
more bubbles, tighten the air-bleed plug while the
hydraulic oil is flowing out.
5. While the tank is pressurized, turn the PTO switch
OFF and start the engine. After idling the engine
for 5 seconds, turn the PTO switch ON and OFF
repeatedly and quickly and check for any
abnormal noise.
6. If any abnormality is found, bleed the hydraulic
pump again.
7. If there is no abnormal noise, turn ON the PTO
switch and idle the engine for 5 minutes with no
load.
8. During the operation, check for any abnormal
noise or heat of the hydraulic pump and oil leaks
from the whole system.
9. After checking that there is no abnormality,
remove the tank pressurization tool on the top of
the hydraulic oil tank and attach the air breather to
the original position.
10. Now the bleeding is complete.
If the hydraulic pump has been replaced, run-in
the pump.
1.4 Tank pressurization tool
1. Valve assy (A)(Part number329-806-59100)
1.5 Other (cylinder)
1. When bleeding the cylinder thereafter, make the
engine speed medium (1000 min
-1
or less).
2. When the oil temperature needs to be increased
for adjusting pressure, perform the work after
eliminating air bubbles inside the oil tank by air
bleeding.
0
345-808-
10500
2
346-416-
61000
Steering,
ACC charging pump
Main pump
Drain plug
Suction flange
Air-bleed plug
G1/4 (O-ring)

Table of Contents

Related product manuals