EasyManua.ls Logo

Tadano GR-700N - Positive Control Circuit; Slewing Control Valve; (Back-Pressure Valve)

Tadano GR-700N
200 pages
Print Icon
To Next Page IconTo Next Page
To Next Page IconTo Next Page
To Previous Page IconTo Previous Page
To Previous Page IconTo Previous Page
Loading...
Y-4
Y-4
Air Bleeding Procedure
32
WY05-3900E
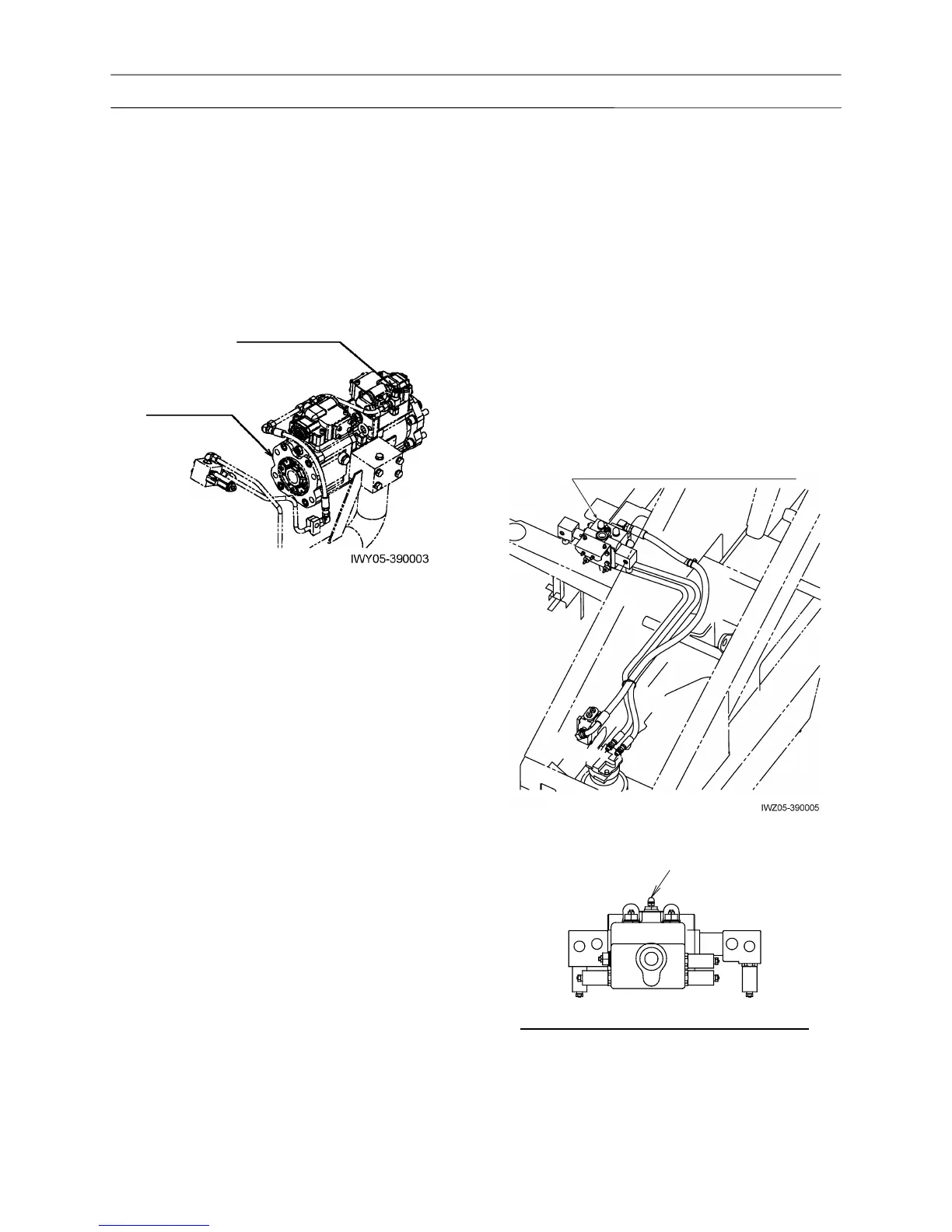
8. Positive control circuit
While any of the crane operations described in
"7. Pilot circuit (hydraulic pilot control valve)". is
performed, loosen the air-bleed plug near the
lower pump to bleed the positive control circuit.
You can bleed the circuit at the same time with
pilot circuit bleeding.
9. Slewing control valve
(back-pressure valve)
[NOTICE]
Conditions
Engine speed : Max
PTO : ON
Slewing brake : ON
1. Open the air-bleed plug and rapidly move the
slewing lever repeatedly between left slewing and
right slewing.
2. When there are no more bubbles in the oil that
flows out, tighten the plug while the oil continues
to flow.
エア抜きプラ
IWY05-044007
Hydraulic pilot control valve (for slewing)
Air-bleed plug
Main pump
Hydraulic pilot control valve (for slewing)
Mounted to right of slewing table
Air-bleed plug
(for back-pressure valve)

Table of Contents

Related product manuals