EasyManua.ls Logo

Tadano GR-700N - Suspension

Tadano GR-700N
200 pages
Print Icon
To Next Page IconTo Next Page
To Next Page IconTo Next Page
To Previous Page IconTo Previous Page
To Previous Page IconTo Previous Page
Loading...
41
WZ07-3541E
Z-7
Z-7
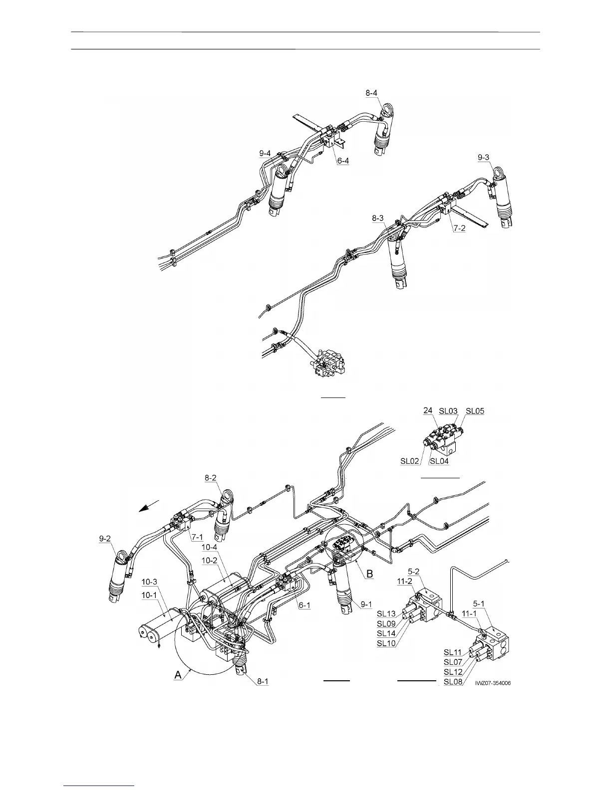
Hydraulic Parts Location Diagram (Lower)
6. Suspension
6.1 --FE0540
Detail A
Detail B
Rear
Front
Front
0
347-907-
64000
0
347-907-
63000
5
346-416-
66000

Table of Contents

Related product manuals