EasyManua.ls Logo

Tadano GR-700N - Adjusting Pressure; (Hydraulic Pressure); Location (Position of Relief Valve Etc.)

Tadano GR-700N
200 pages
Print Icon
To Next Page IconTo Next Page
To Next Page IconTo Next Page
To Previous Page IconTo Previous Page
To Previous Page IconTo Previous Page
Loading...
Y-2
Y-2
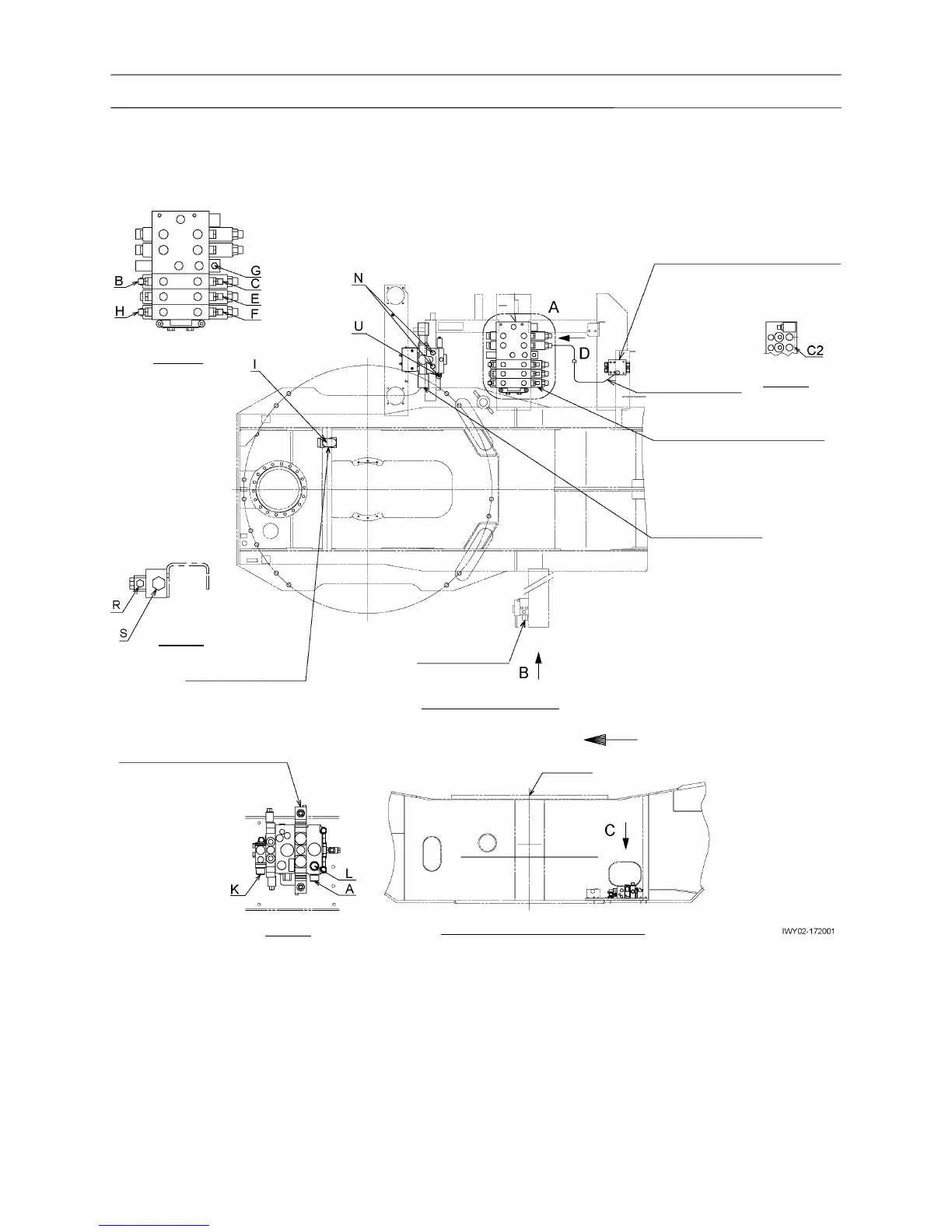
Adjusting Pressure (Hydraulic Pressure)
14
WY02-1720E
Y-2 Adjusting Pressure (Hydraulic Pressure)
1. Location (position of relief valve etc.)
Detail A
View B
View C
View D
Slewing table section
Vehicle over-front
Hydraulic valve (for winch brake)
Main winch pipe
Hydraulic pilot control valve
(for main)
Hydraulic pilot control
valve (for slewing)
Solenoid control valve
(for outrigger)
Sequence valve
Priority valve
Slewing center
Lower frame, left center section

Table of Contents

Related product manuals