EasyManua.ls Logo

Tadano GR-700N - Steering

Tadano GR-700N
200 pages
Print Icon
To Next Page IconTo Next Page
To Next Page IconTo Next Page
To Previous Page IconTo Previous Page
To Previous Page IconTo Previous Page
Loading...
37
WZ07-3541E
Z-7
Z-7
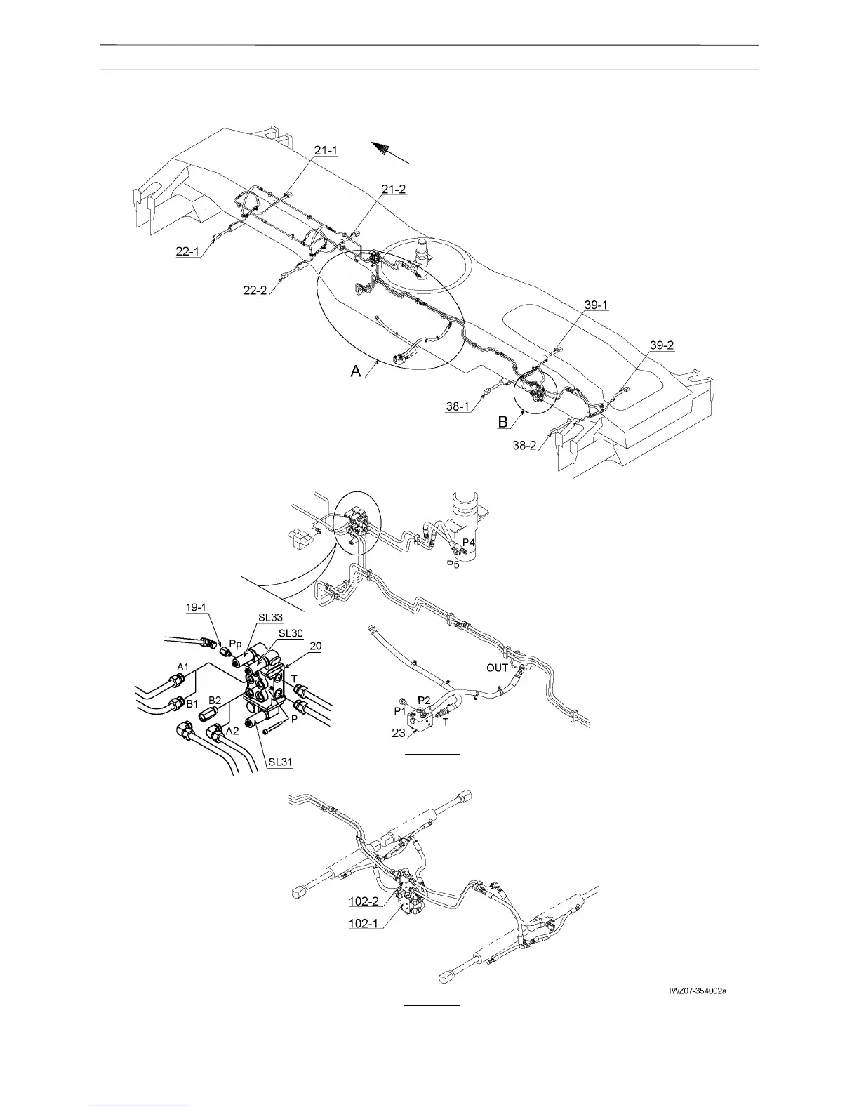
Hydraulic Parts Location Diagram (Lower)
2. Steering
1
346-416-62001
2
347-220-21000
1
347-224-33000
Detail A
Detail B
Front

Table of Contents

Related product manuals