EasyManua.ls Logo

Tadano GR-700N - Control Parts (Lower)

Tadano GR-700N
200 pages
Print Icon
To Next Page IconTo Next Page
To Next Page IconTo Next Page
To Previous Page IconTo Previous Page
To Previous Page IconTo Previous Page
Loading...
47
WZ08-0510E
Z-9.
Z-9.
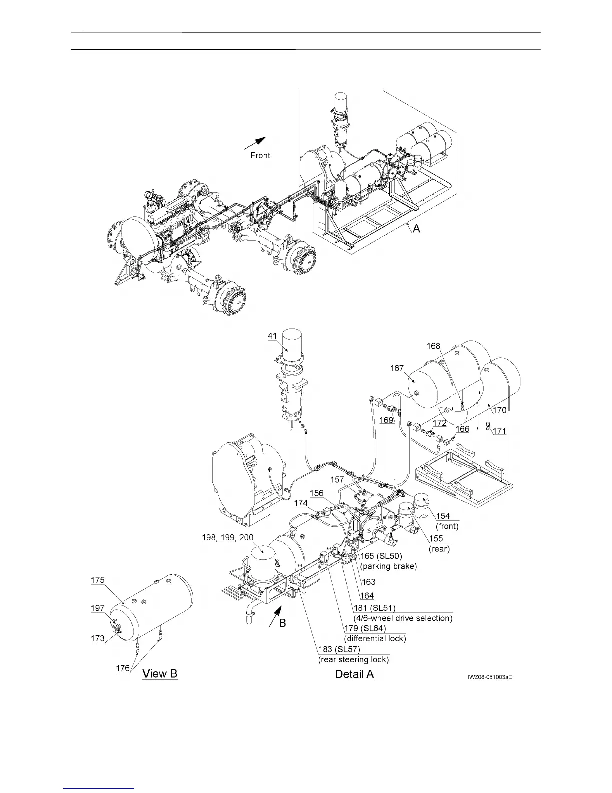
Pneumatic Parts Location Diagram
3. Control parts (lower)
2
349-230-00000
2
349-230-
02000

Table of Contents

Related product manuals