EasyManua.ls Logo

Tektronix TDS5000B Series - Figure 6- -22: Disconnecting the Fan Cables

Tektronix TDS5000B Series
237 pages
Print Icon
To Next Page IconTo Next Page
To Next Page IconTo Next Page
To Previous Page IconTo Previous Page
To Previous Page IconTo Previous Page
Loading...
Removal and Inst a l l a t i on Procedures
6-- 40
TDS5000B Series Se r vi c e Manual
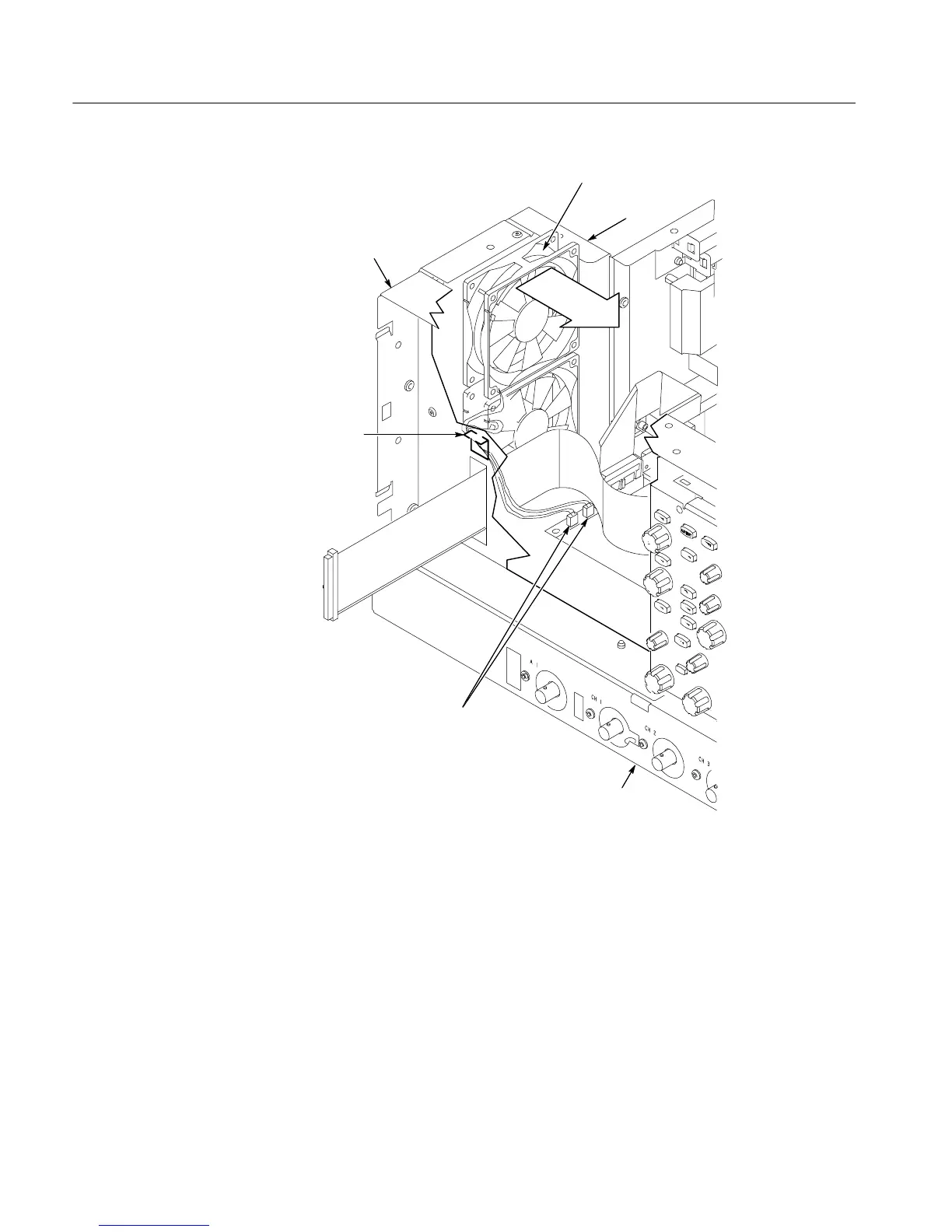
Fans
Fan cable
holder
Left side of the
instrument
Front of the
instrument
Back of the
instrument
Disconnect fan cables
Figure 6--22: Disconne c t i ng the fan cables
1. Assemble equipment and locate module s to be removed: Locate the modules
to be removed in the locator diagram Internal Modules, Fi gur e 6--7,
on page 6--19. Additional modules to be removed:
! Trim (all)
! Right side cover
2. Orient the osci l l osc ope : Set the oscilloscope so the bottom i s down on the
work surface a nd the back is facing you.
Power Supply

Table of Contents

Other manuals for Tektronix TDS5000B Series

Related product manuals