EasyManua.ls Logo

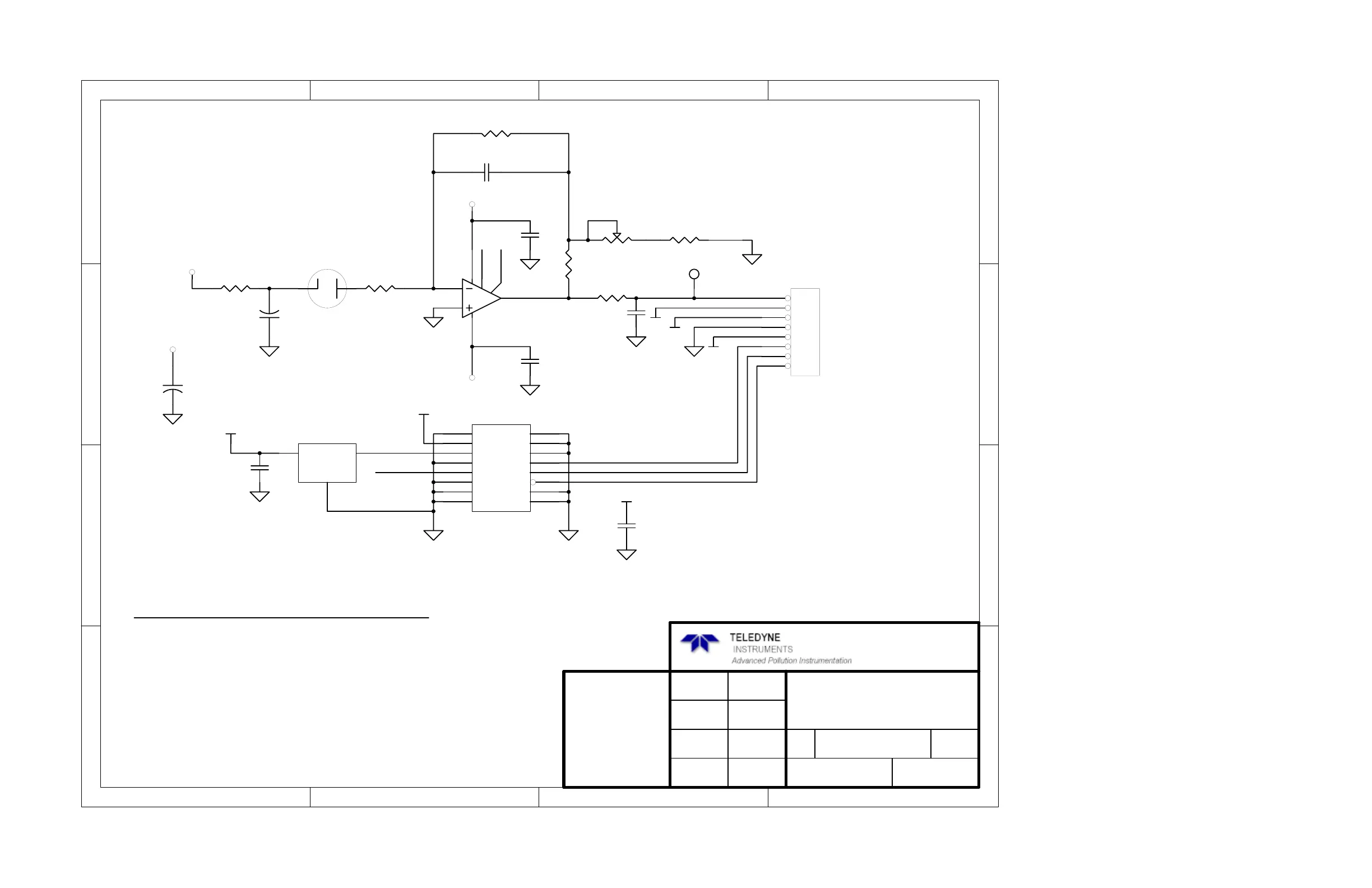
Teledyne 400E - PCA, UV DETECTOR PREAMP

Teledyne 400E
318 pages
Print Icon
To Next Page IconTo Next Page
To Next Page IconTo Next Page
To Previous Page IconTo Previous Page
To Previous Page IconTo Previous Page
Loading...
1 2 34
A
B
C
D
4
321
D
C
B
A
APPROVALS
DRAWN
CHECKED
APPROVED
DATE
SIZE DRAWING NO. REVISION
SHEET
The information herein is the
property of API and is
submitted in strictest con-
Unauthorized use by anyone
fidence for reference only.
for any other purposes is
prohibited. This document or
any information contained
in it may not be duplicated
without proper authorization.
PCA, UV DETECTOR PREAMP
04420 A
111-Aug-2002
LAST MOD.
A
of
USA
+15V
D1
PHOTOCELL
R1
4.99M
C1
100pf
-15V
+15V
+
C2
1.0uf
C4
0.1uf
C5
0.1uf
-15V
3
2
6
1
5
7 4
U1
OPA124
R2
1.0K
+
C3
1.0uF
R3
1.0K
R4
5K
VR1
5K
R5
100
1
2
3
4
5
6
7
8
J1
MICROFIT
+15V
-15V
GND
1
VCC
2
REF+
3
REF-
4
IN+
5
IN-
6
GND
7
GND
8
GND
9
GND
10
CS
11
SDO
12
SCK
13
F0
14
GND
15
GND
16
U2
LTC2413
VCC
IN
1
GND
3
OUT
2
VR2
LT1460S3-2.5
C6
0.1uf
+15V
PHOTO_OUT
PHOTO_OUT
REF_2.5V
C7
N.P.
VCC
R6
1.0K
TP1
TEST_PLUG
C8
0.1
VCC
NOTE: THIS SCHEMATIC APPLIES TO THE FOLLOWING PCA'S:
04120-0000
PCA# NOTES
NONE

Table of Contents

Related product manuals