EasyManua.ls Logo

TGW Natrix - Disassemble Taper Lock Bushing; Disassemble Taper Lock Bushing (TL) [6]

Default Icon
111 pages
Print Icon
To Next Page IconTo Next Page
To Next Page IconTo Next Page
To Previous Page IconTo Previous Page
To Previous Page IconTo Previous Page
Loading...
Natrix IOM
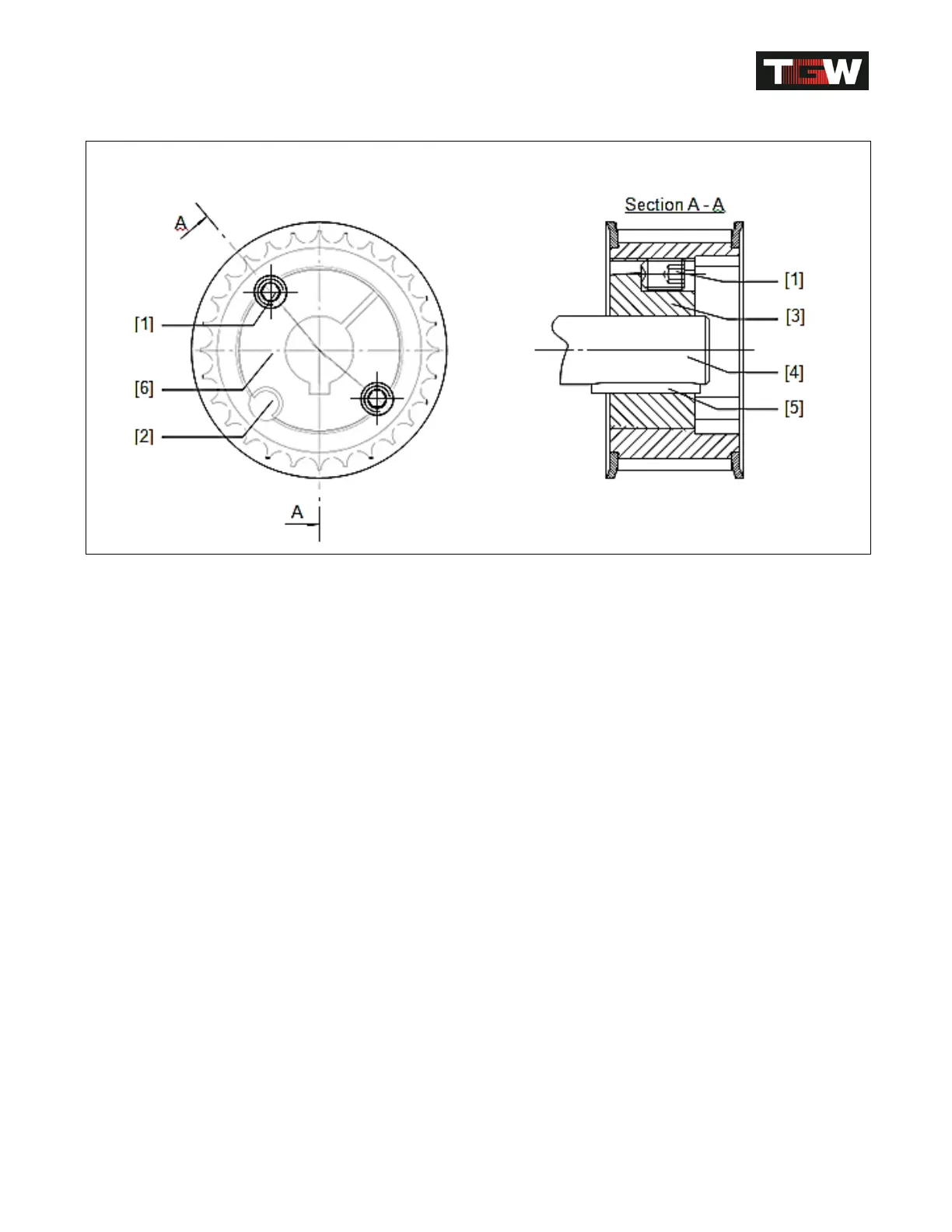
Disassemble Taper lock Bushing
Disassemble Taper lock bushing (TL) [6]
Unscrew clamping screws [1].
Oil the screw and turn it in into pressure thread [2] and tighten it until clamping bush [3].
is released.
Lubricate screw and thread if re-used.
Assemble Taper lock bushing [6].
Clean and degrease the contact surface of shaft [4] and clamping bush [3].
Insert feather key [5] in shaft [4].
Push the complete Taper lock bushing onto shaft [4].
Tighten clamping screws [1] evenly to the specified tightening torque M
A
using a torque
wrench.
Hammer clamping bush [3] (using a sleeve or wooden block) until it sits on the desired
position on the shaft.
Tighten clamping screws [1] repeatedly to the specified tightening torque M
A
using a
torque wrench.
Revision Date: 12/10/2014 Page 107 of 111

Table of Contents