EasyManua.ls Logo

Vicon RF 2235 - Lighting circuit diagram

Vicon RF 2235
135 pages
Print Icon
To Next Page IconTo Next Page
To Next Page IconTo Next Page
To Previous Page IconTo Previous Page
To Previous Page IconTo Previous Page
Loading...
Circuit diagrams
115
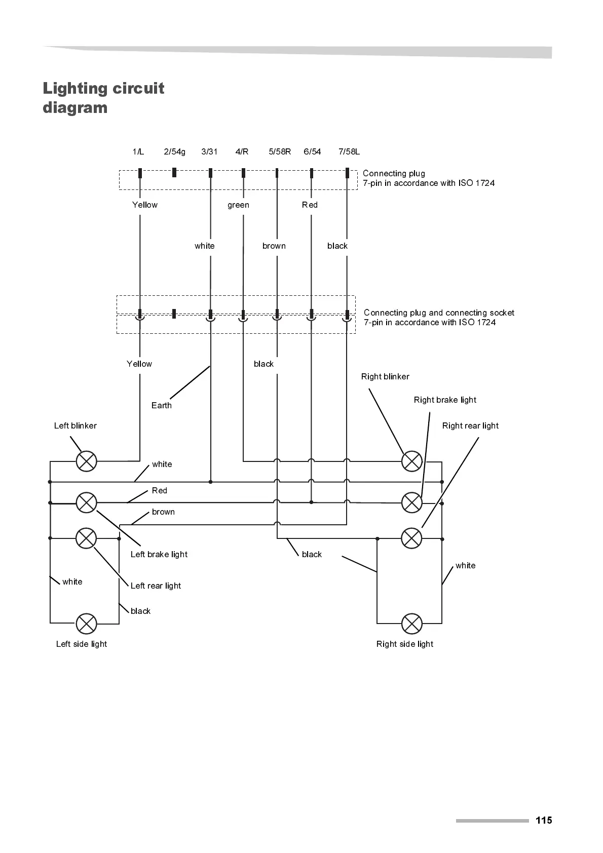
Lighting circuit
diagram
1/L 2/54g 3/31 4/R 5/58R 6/54 7/58L
Yellow
white
green
brown
Red
black
Right blinker
Right brake light
Right rear light
Right side light
Yellow
white
Red
brown
black
white
Left side light
white
black
black
Connecting plug and connecting socket
7-pin in accordance with ISO 1724
Left rear light
Left blinker
Left brake light
Earth
Connecting plug
7-pin in accordance with ISO 1724

Table of Contents

Related product manuals