EasyManua.ls Logo

Vicon RF 2235 - Page 59

Vicon RF 2235
135 pages
Print Icon
To Next Page IconTo Next Page
To Next Page IconTo Next Page
To Previous Page IconTo Previous Page
To Previous Page IconTo Previous Page
Loading...
Preparing for use
59
Twine guide
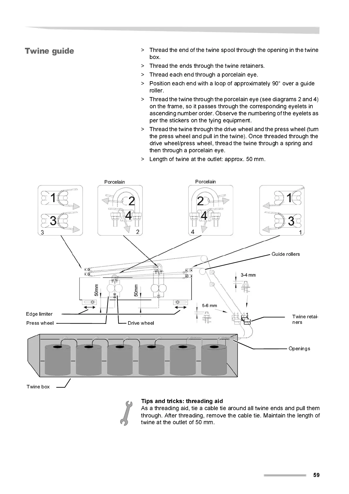
> Thread the end of the twine spool through the opening in the twine
box.
> Thread the ends through the twine retainers.
> Thread each end through a porcelain eye.
> Position each end with a loop of approximately 90° over a guide
roller.
> Thread the twine through the porcelain eye (see diagrams 2 and 4)
on the frame, so it passes through the corresponding eyelets in
ascending number order. Observe the numbering of the eyelets as
per the stickers on the tying equipment.
> Thread the twine through the drive wheel and the press wheel (turn
the press wheel and pull in the twine). Once threaded through the
drive wheel/press wheel, thread the twine through a spring and
then through a porcel ai n eye.
> Length of twine at the outlet: approx. 50 mm.
Tips and tricks: threading aid
As a threading aid, ti e a cable tie around all tw i ne ends and pull them
through. Aft er threadi ng, remove the cable ti e. M aintai n the l engt h of
twine at the outlet of 50 mm.
Twine box
Openings
Twine retai-
ners
Guide rollers
Porcelain
Drive wheelPress wheel
Porcelain
Twine on the Edge limiter

Table of Contents

Related product manuals