EasyManua.ls Logo

Yamaha 60F - Page 169

Yamaha 60F
204 pages
Print Icon
To Next Page IconTo Next Page
To Next Page IconTo Next Page
To Previous Page IconTo Previous Page
To Previous Page IconTo Previous Page
Loading...
8-8
–+
ELEC
E
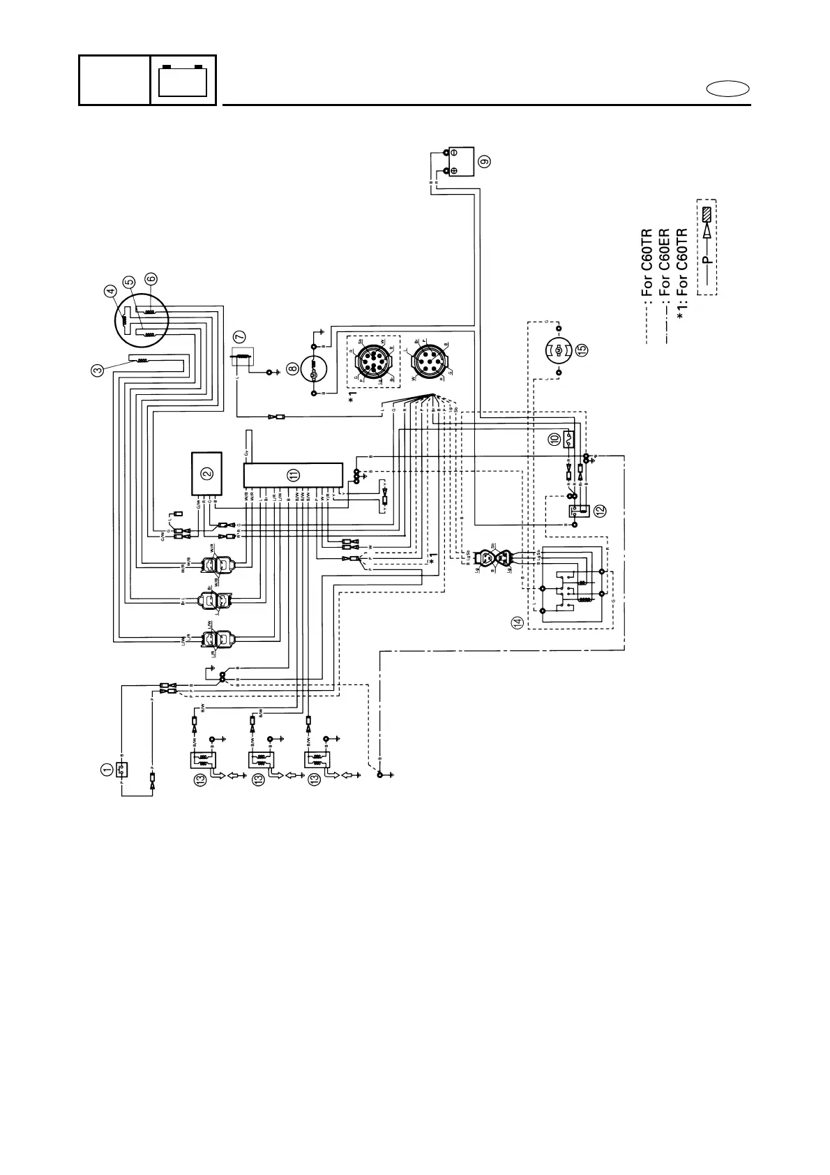
WIRING DIAGRAM
C60ER, C60TR
1 Thermo switch
2 Rectifier/regulator
3 Crank position sensor
4 Pulser coil
5 Charge coil
6 Lighting coil
7 Fuel enrichment valve
8 Starter motor
9 Battery
0 Fuse (20A)
A CDI unit
B Starter relay
C Ignition coil
D Power trim and tilt relay (For C60TR)
E Power trim and tilt motor (For C60TR)
B......... Black
Br ....... Brown
G ........ Green
Gy ...... Gray
L ......... Blue
O ........ Orange
P......... Pink
R......... Red
Sb ...... Sky blue
W ....... White
Y......... Yellow
Lg....... Light green

Table of Contents

Other manuals for Yamaha 60F

Related product manuals