EasyManua.ls Logo

ABB ACS380 Series - Page 185

ABB ACS380 Series
462 pages
To Next Page IconTo Next Page
To Next Page IconTo Next Page
To Previous Page IconTo Previous Page
To Previous Page IconTo Previous Page
Loading...
Parameters 185
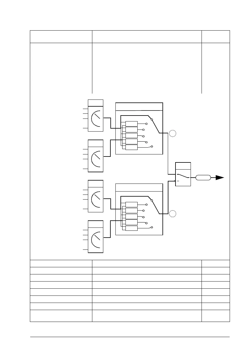
28.11 Ext1 frequency ref1 Selects Ext1 frequency reference source 1.
Two signal sources can be defined by this parameter and
28.12 Ext1 frequency ref2. A mathematical function
(28.13 Ext1 frequency function) applied to the two signals
creates an Ext1 reference (A in the figure below).
A digital source selected by 19.11 Ext1/Ext2 selection can
be used to switch between Ext1 reference and the
corresponding Ext2 reference defined by parameters
28.15 Ext2 frequency ref1, 28.16 Ext2 frequency ref2 and
28.17 Ext2 frequency function (B in the figure below).
AI1 scaled
Zero None. 0
AI1 scaled 12.12 AI1 scaled value (see page 127). 1
AI2 scaled 12.22 AI2 scaled value (see page 129). 2
FB A ref1 03.05 FB A reference 1 (see page 108). 4
FB A ref2 03.06 FB A reference 2 (see page 108). 5
EFB ref1 03.09 EFB reference 1 (see page 108). 8
EFB ref2 03.10 EFB reference 2 (see page 108). 9
Motor potentiometer 22.80 Motor potentiometer ref act (output of the motor
potentiometer).
15
No. Name/Value Description Default
FbEq 16
19.11
1
0
28.13
MUL
SUB
ADD
MIN
MAX
28.11
28.12
28.92
0
AI
FB
Other
0
AI
FB
Other
Ref1
28.17
MUL
SUB
ADD
MIN
MAX
28.15
28.16
0
AI
FB
Other
0
AI
FB
Other
Ref1
A
B
Ext1
Ext2

Table of Contents

Other manuals for ABB ACS380 Series

Related product manuals