EasyManua.ls Logo

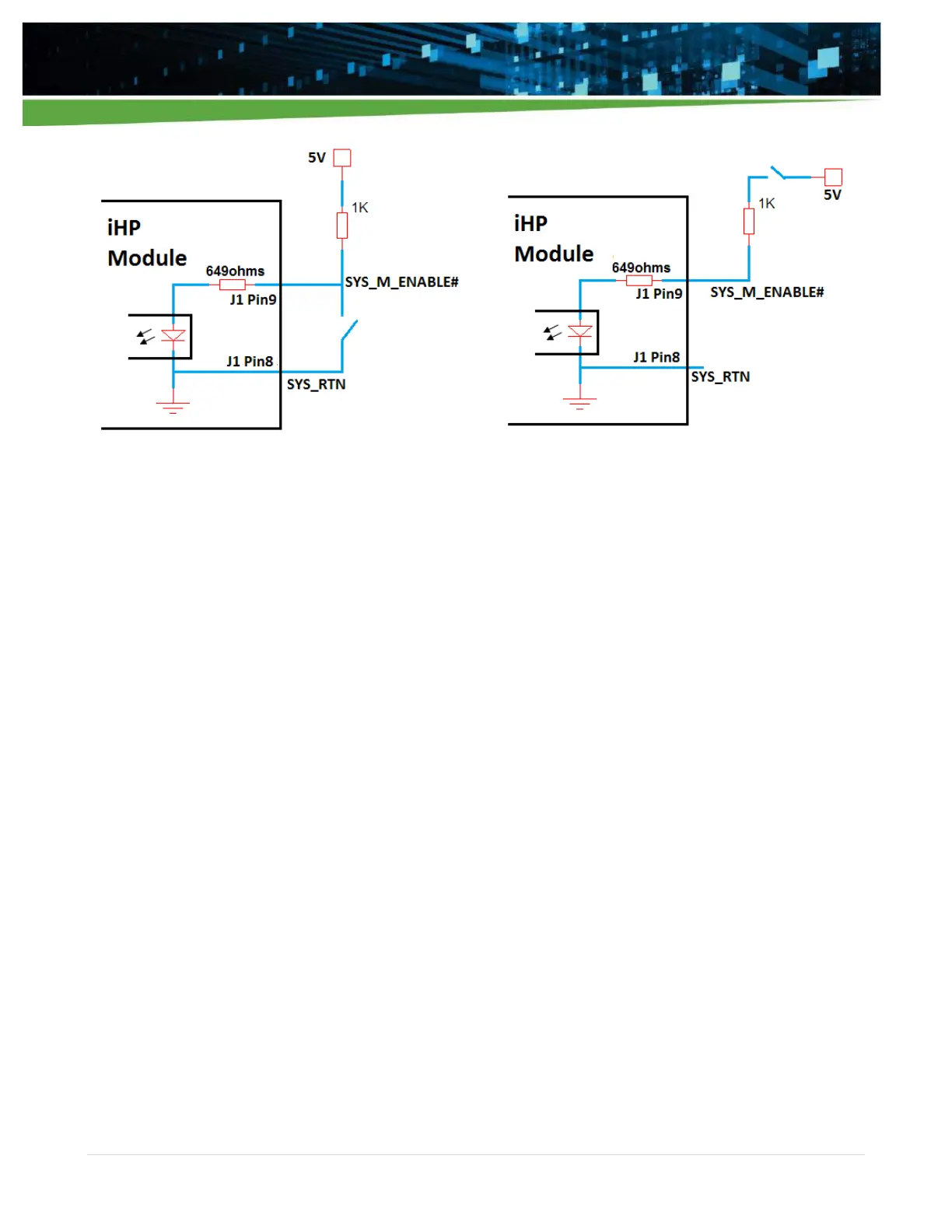
Artesyn iHP - Figure 4-5 Isolated Output Enable to Externally Enable Module; Isolated Fault Signal

Artesyn iHP
202 pages
Print Icon
To Next Page IconTo Next Page
To Next Page IconTo Next Page
To Previous Page IconTo Previous Page
To Previous Page IconTo Previous Page
Loading...
iHP Manual 52 | P a g e
iHP Owners Manual
Figure 4-5 Isolated Output Enable to externally Enable module.
4.2.1.1.6 Isolated Fault Signal
During a fault condition, the iHP module provides a fault signal to the system side. J1 Pin 10
SYS_M_FAULT# functions as the fault signal of the module. The signal is internally connected to an open
collector output. An external 2kohms pull-up resistor is required. The pull-up resistor should be
connected to a 5V supply. The maximum pull-up resistor voltage is 5V and the maximum sink current of
5mA.
The logic for this pin is configurable via module command SET_IO_ACTIVE_LEVEL_LOGIC (B7h) and can
change the correlation between the output state and the status of the module.
The default pin configuration is
SYS_M_FAULT# logic Low = Module is at Fault.
SYS_M_FAULT# logic High = Module is at normal operating condition.
Figure 4-6 shows recommended external circuits to control the enable pin.

Table of Contents