EasyManua.ls Logo

Astraada SRV-64 - Three-Phase 220 V Wiring Diagram

Astraada SRV-64
325 pages
Print Icon
To Next Page IconTo Next Page
To Next Page IconTo Next Page
To Previous Page IconTo Previous Page
To Previous Page IconTo Previous Page
Loading...
AS64 series AC servo drive Wiring instructions
-24-
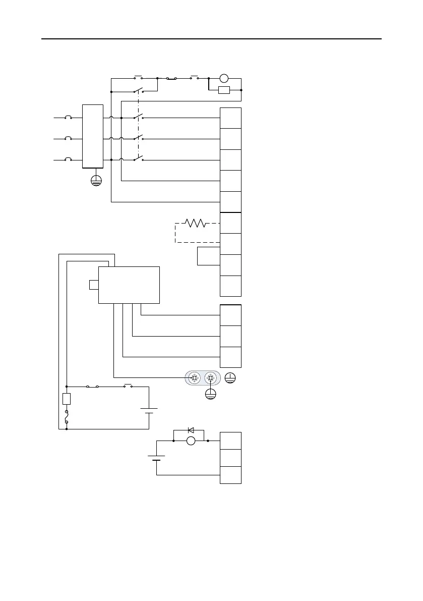
3.2.2 Three-phase 220V wiring diagram
· Input voltage of power:
AC 220V(±15%)
· Connect the servo motor cables
to the drive output terminals U, V,
and W according to the correct
phase sequence. Incorrect phase
sequence may cause a drive
fault.
· Ground the servo drive properly.
Otherwise, electrical shocks may
be caused.
· Prepare the 24VDC power for
electromagnetic braking by
yourself and isolate it from the
DC12~24V power for signal
control.
· Pay attention to free-wheeling
diode connection. Reversed
polarity may cause drive damage.
· Employ this emergency stop
circuit.
· Add a surge absorber to each end
of the electromagnetic contactor
coil.
Yellow/
Green
Surge
absorber
Fuse
Breaker MC
MC
ALM
CN1
Emergency
stop button
RY
EMI
filter
DC 12~24V
(±10%)
DC 24V
(±10%)
OFF ALMON
+
-
+
-
Motor
L1
L2
L3
L1C
L2C
B3
+
B2
U
V
W
-
DO-
DO+
· Do not remove the short-
connection cable between B2 and
B3 (for a drive of 750W or greater)
unless an external regenerative
brake resistor is used.
· If you use an external regenerative
brake resistor, remove the
connection cable between B2 and
B3 and connect the resistor as
shown in the dashed box.

Table of Contents