EasyManua.ls Logo

Astraada SRV-64 - Standard Wiring Diagram for Speed Control

Astraada SRV-64
325 pages
Print Icon
To Next Page IconTo Next Page
To Next Page IconTo Next Page
To Previous Page IconTo Previous Page
To Previous Page IconTo Previous Page
Loading...
AS64 series AC servo drive Control modes
-33-
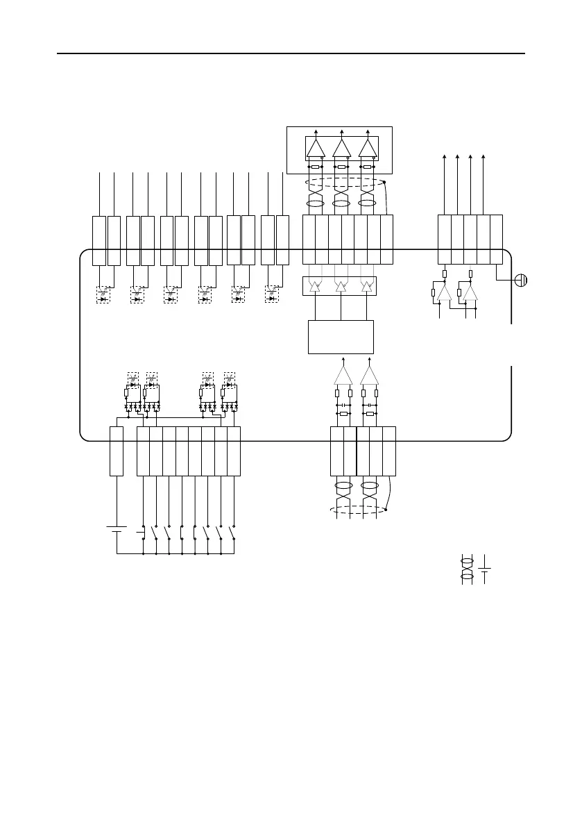
4.2 Standard wiring diagram for speed control
Speed control mode
Max load
capability for
each output
terminal:
DC30V, 50mA
EMG 39
SON 16
ZRS 37
POT 3
NOT 4
CLA 10
SPD1 34
SPD2 17
Internal speed
selection 2
Internal speed
selection 1
Alarm clearing
Reverse drive disabling
Emergency stop
Servo enabling
Zero speed clamp
Forward drive disabling
COM+ 2
FG
21 AO1
6 GND
25 AO2
6 GND
FG
Torque monitoring
output
Speed monitoring
output
Speed
command
input
(-10V+10V)
AD1 20
GND 6
AD2 7
GND 6
Negative analog torque
limit
(-10V0V)
Ref
󴘐
Frequency
divider
External
controller
44 OA+
43 OA-
41 OB+
42 OB-
FG
AM26LS32
or equivalent chip
28 OZ+
27 OZ-
CN1
1. ( ) is shielded twisted cable.
2. ( ) is user-provided power.
Output voltage:
DC -10V+10V;
Max. output current:
3mA
DI common
terminal
Note: user-provided power
DC1224V
- +
Servo being ready
15 ALM+
19 ALM-
Fault alarm output
5 RDY-
14 RDY+
29 ZSO+
35 ZSO-
Zero speed output
13 LM+
30 LM-
Torque being limited
11 COIN+
8 COIN-
Speed consistency
9 BRK+
26 BRK-
Brake released
Note:

Table of Contents