EasyManua.ls Logo

Astraada SRV-64 - Standard Wiring Diagram for Torque Control

Astraada SRV-64
325 pages
Print Icon
To Next Page IconTo Next Page
To Next Page IconTo Next Page
To Previous Page IconTo Previous Page
To Previous Page IconTo Previous Page
Loading...
AS64 series AC servo drive Control modes
-34-
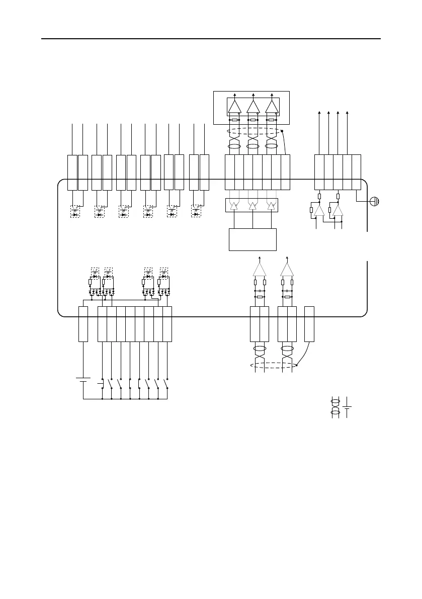
4.3 Standard wiring diagram for torque control
Torque control mode
Speed limit
input
(-10V+10V)
Torque
command input
(-10V+10V)
EMG 39
SON 16
ZRS 37
POT 3
NOT 4
CLA 10
SPD1 34
SPD2 17
Speed limit
selection 2
Speed limit
selection 1
Alarm clearing
Reverse drive disabling
Emergency stop
Servo enabling
Zero speed clamp
Forward drive disabling
COM+ 2
AD1 20
GND 6
AD2 7
GND 6
FG
21 AO1
6 GND
25 AO2
6 GND
FG
Torque monitoring
output
Speed monitoring
output
Ref
Max load
capability for
each output
terminal:
DC30V, 50mA
Note: user provided
DC12~24V
- +
󴘐
Frequency
divider
External
controller
44 OA+
43 OA-
41 OB+
42 OB-
FG
AM26LS32
or equivalent chip
28 OZ+
27 OZ-
CN1
1. ( ) is shielded twisted cable.
2. ( ) is user-provided power.
Output voltage:
DC -10V+10V;
Max. output current:
3mA
DI common
terminal
15 ALM+
19 ALM-
5 RDY-
14 RDY+
Servo being ready
Fault alarm output
11 TRCH+
8 TRCH-
9 BRK+
26 BRK-
Torque reached
Brake released
29 ZSO+
35 ZSO-
13 LM+
30 LM-
Zero speed output
Torque being limited
Note:

Table of Contents