EasyManua.ls Logo

Brunswick StringPin - Stringpin Controller - UL Version

Brunswick StringPin
126 pages
Print Icon
To Next Page IconTo Next Page
To Next Page IconTo Next Page
To Previous Page IconTo Previous Page
To Previous Page IconTo Previous Page
Loading...
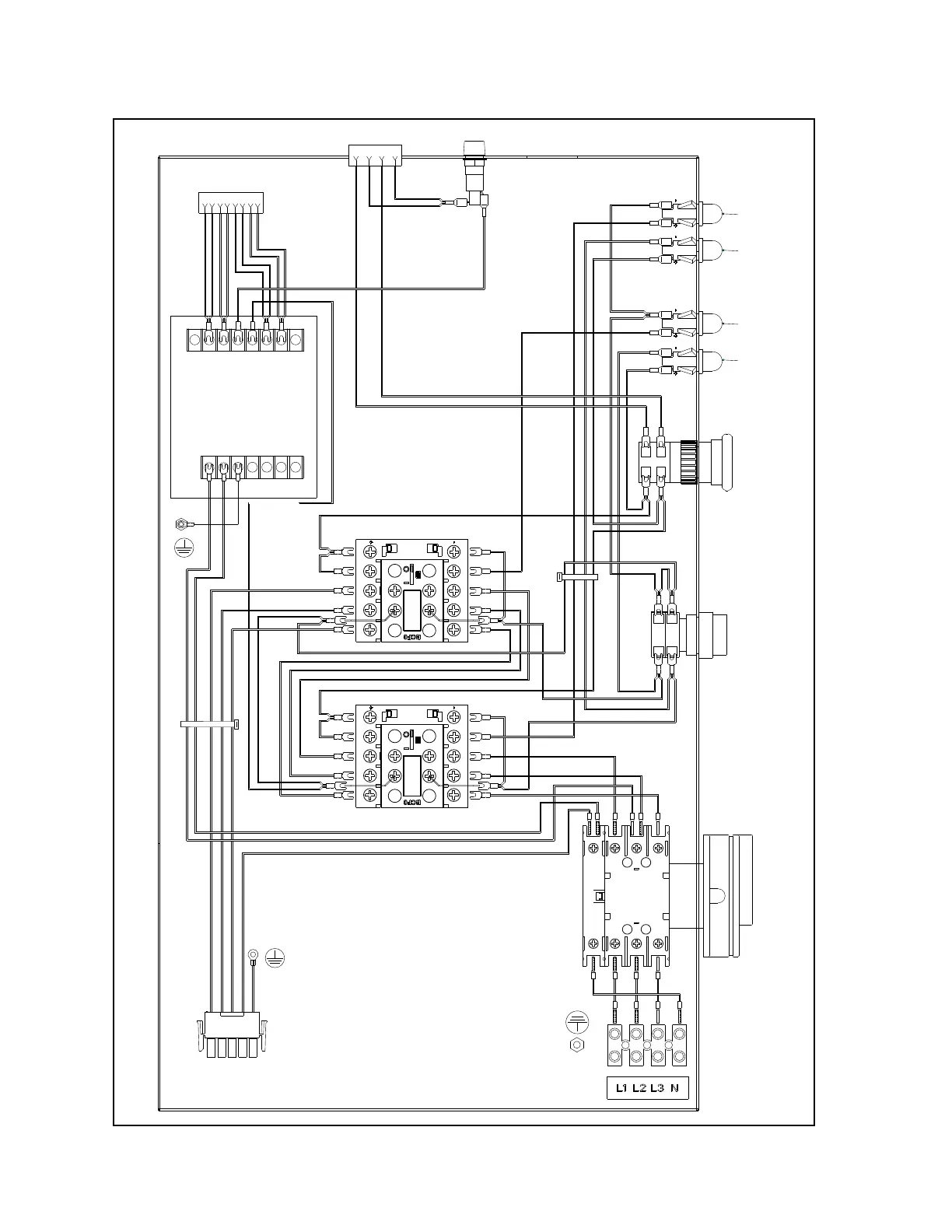
7-6 Section7:Cables
StringPin Controller - UL Version
POWER
SUPPLY
RED
BLK
WHT
RED
WHT
BLK
BLUE
ORN
RED
RED
YLW
RED
BLK
WHT
RED
WHT
3
4
2
1
BRN
BRN
ORN
RED
BLK
WHT
RED
BRN
ORN
BLK
BLK
BLK
RED
BLK
BLUE
BLK
WHT
RED
GRN/YLW
4
3
2
1
5
BLK
BLK
BLK
BLK
GRY
BRN
6T3
4T2
22
A2
2T1
5L3 3L221A1 1L1
32 24
31 23
nc no
nc
BLK
ORN
6T3
4T2
22
A2
2T1
5L3 3L221A1 1L1
32 24
31 23
nc no
nc
ORN
VLT
YLW
YLW
BLK
V-
V-
V-
V+
V+
V+
RC
RCG
POK
N
L
P
FG
V-
V+
GRN/YLW
WHT
BLUE
WHT
BLUE
2
1
4
3
6
5
8
7
RED
RED
RED
RED
BLK
BLK
BLK
BLK
RED
ORN
ORN
ORN
BRN
BRN
GRY
YLW
GRY
GRY
YLW
YLW
GRY
GRY
GRY
GRN
BLK
BLK
BLK
VLT
BLK
GRN
VLT
BRN
BLK
ORN
YLW
VLT
GRN
BRN
POWER TO
CONTROLLER
E-STOP
PCB
POWER TO
HV PCB
RESET
LED
(GREEN)
POWER
ON
LED
(RED)
POWER
ON
LED
(RED)
RESET
LED
(GREEN)
2nd
CONTACTOR
1st
CONTACTOR

Table of Contents

Related product manuals