EasyManua.ls Logo

Brunswick StringPin - Stringpin Controller - CE Version

Brunswick StringPin
126 pages
Print Icon
To Next Page IconTo Next Page
To Next Page IconTo Next Page
To Previous Page IconTo Previous Page
To Previous Page IconTo Previous Page
Loading...
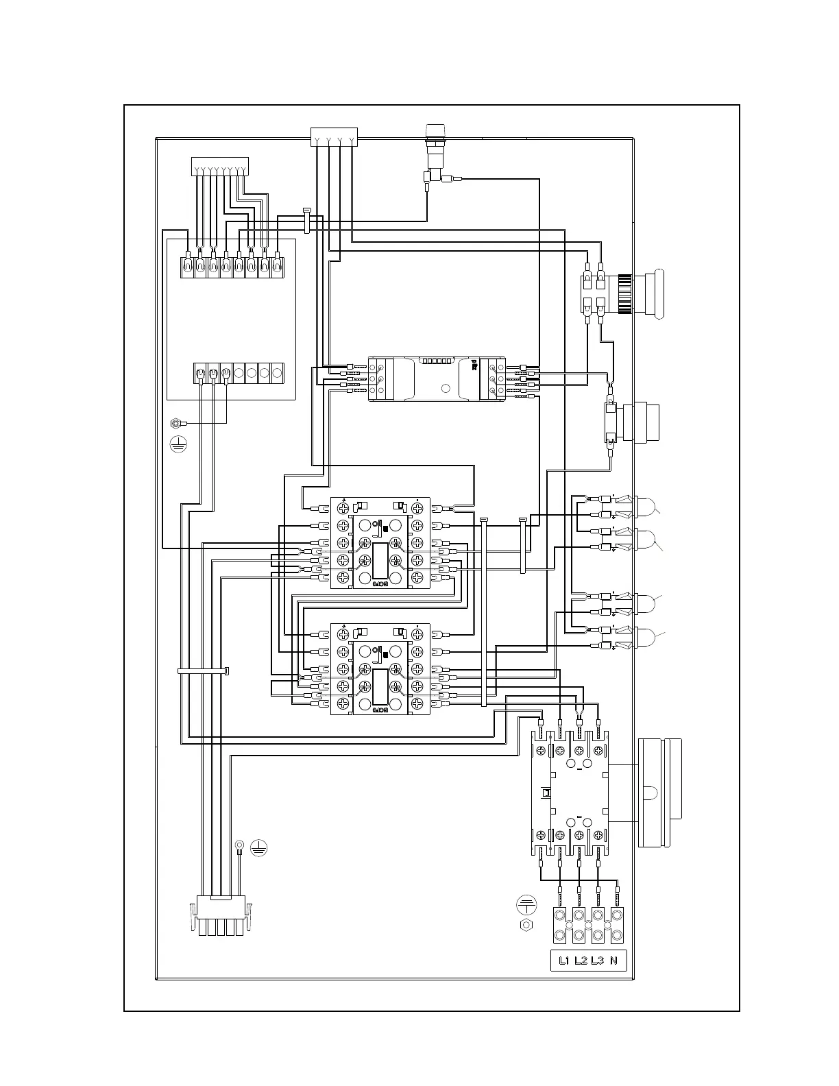
Section7:Cables 7-7
StringPin Controller - CE Version
RED
BLK
WHT
RED
WHT
BLK
BLUE
ORN
BRN
RED
WHT
RED
BLK
WHT
RED
WHT
3
4
2
1
BRN
BRN
ORN
ORN
BLK
WHT
RED
BLK
BLUE
BLK
WHT
RED
GRN/YLW
4
3
2
1
5
RED
RED
RED
6T3
4T2
22
A2
2T1
5L3 3L221A1 1L1
32 24
31 23
RED
6T3
4T2
22
A2
2T1
5L3 3L221A1 1L1
32 24
31 23
nc
V-
V-
V-
V+
V+
V+
RC
RCG
POK
N
L
P
FG
V-
V+
GRN/YLW
WHT
BLUE
WHT
BLUE
2
1
4
3
6
5
8
7
RED
RED
RED
RED
BLK
BLK
BLK
BLK
RED
BRN
S12 S22 S34
Out
PNOZ S3
A1 13 23
A2 14 24
S11 S21 Y32
Reset
Fault
In2
In1
Power
ORN
BRN
ORN
ORN
BRN
ORN
GRN
GRN
VLT
VLT
WHT
WHT
WHT
WHT
WHT
WHT
RED RED
BLK
BLK
BLK
BLK
BLK
BLK
BLK
BLK
BLK
BLK
BLK
BLK
BLK
BLK
RED
RED
RED
RED
YLW
VLT
GRY
GRN
GRN
GRY
VLT
YLW
ORN
BLK
BLK
POWER
SUPPLY
E-STOP
POWER TO
CONTROLLER
POWER TO
HV PCB
PCB
RESET
LED
(GREEN)
POWER
ON
LED
(RED)
POWER
ON
LED
(RED)
RESET
LED
(GREEN)
2nd
CONTACTOR
1st
CONTACTOR

Table of Contents

Related product manuals