EasyManua.ls Logo

Brunswick StringPin - Home Switch Adjustment

Brunswick StringPin
126 pages
Print Icon
To Next Page IconTo Next Page
To Next Page IconTo Next Page
To Previous Page IconTo Previous Page
To Previous Page IconTo Previous Page
Loading...
Section4:Adjustments 4-5
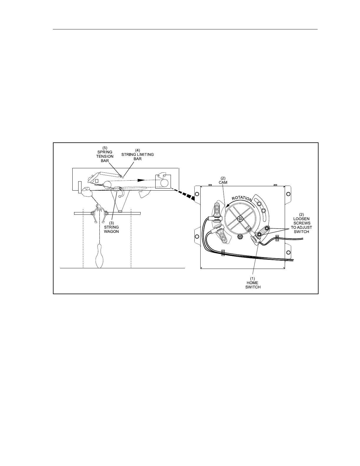
Home Switch Adjustment
The home switch determines when to turn o the drive motor after setting new pins on the pindeck.
This switch is factory set and does not normally need adjustment.
Perform the following steps to verify the switch is set properly.
1. Cycle the pins so all 10 pins are on the pindeck.
2. Check the position of the string wagon. It should stop towards the front of the machine just
under the String Limiting and Spring Tension bars.
3. If adjustment is needed, loosen the switch mounting screws and position the switch as desired.
Refer toFigure4-5.
Figure4-5.StringWagonPositionandHomeSwitchAdjustment
(1) HOME SWITCH (2) LOOSEN SCREWS TO (3) STRING WAGON
ADJUST SWITCH
(4) STRING LIMITING BAR (5) SPRING TENSION BAR

Table of Contents

Related product manuals