EasyManua.ls Logo

Cellwatch Frontier - Page 39

Cellwatch Frontier
125 pages
Print Icon
To Next Page IconTo Next Page
To Next Page IconTo Next Page
To Previous Page IconTo Previous Page
To Previous Page IconTo Previous Page
Loading...
Cellwatch Frontier System Installation & User Manual
Section I – Installation Guide-39
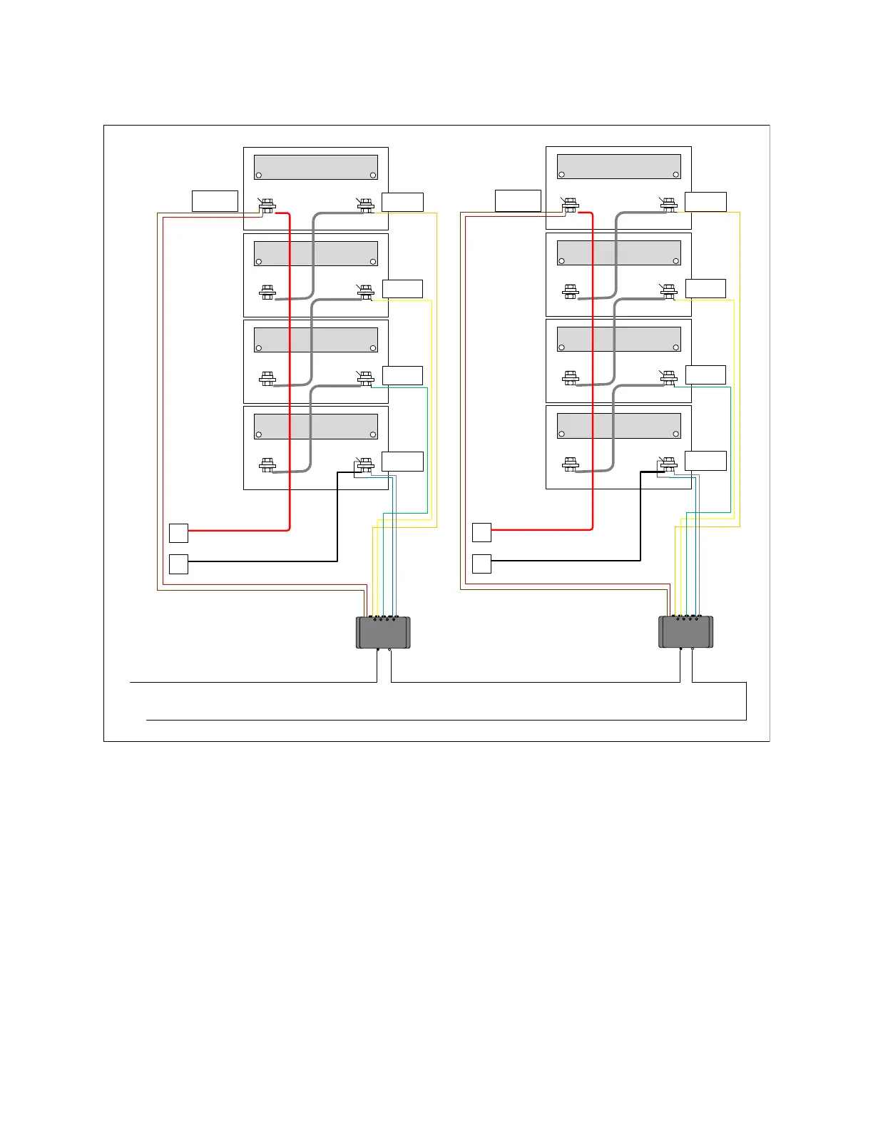
DCM #1
DCM #2
Fiber Loop
+ -
+ -
+ -
+ -
+
-
Br, R
O
Y
G
Bl, W
DCM
+ -
+ -
+ -
+ -
+
-
Br, R
O
Y
G
Bl, W
DCM
If a tray is equipped with isolation quick disconnects, it is important not to install the DCM across a quick
disconnect. If a connection is opened, the DCM could be subject to high voltages and the battery may
not be completely isolated as a result.
Systems with two tabs maximum per post
If bolt length does not permit four tab washers on a post where two DCMs meet, as shown above, the
following method can be used.
1. Tab the most positive terminal of the first cell or container of the string with two tab washers.
This is the only positive terminal that will be tabbed.
2. Tab the next three negative terminals with a single tab washer.
3. Tab the next negative terminal with two washers. This is the connection for the blue wire of
DCM n and the red wire of DCM n+1.

Table of Contents