EasyManua.ls Logo

Cellwatch Frontier - Page 51

Cellwatch Frontier
125 pages
Print Icon
To Next Page IconTo Next Page
To Next Page IconTo Next Page
To Previous Page IconTo Previous Page
To Previous Page IconTo Previous Page
Loading...
Cellwatch Frontier System Installation & User Manual
Section I – Installation Guide-51
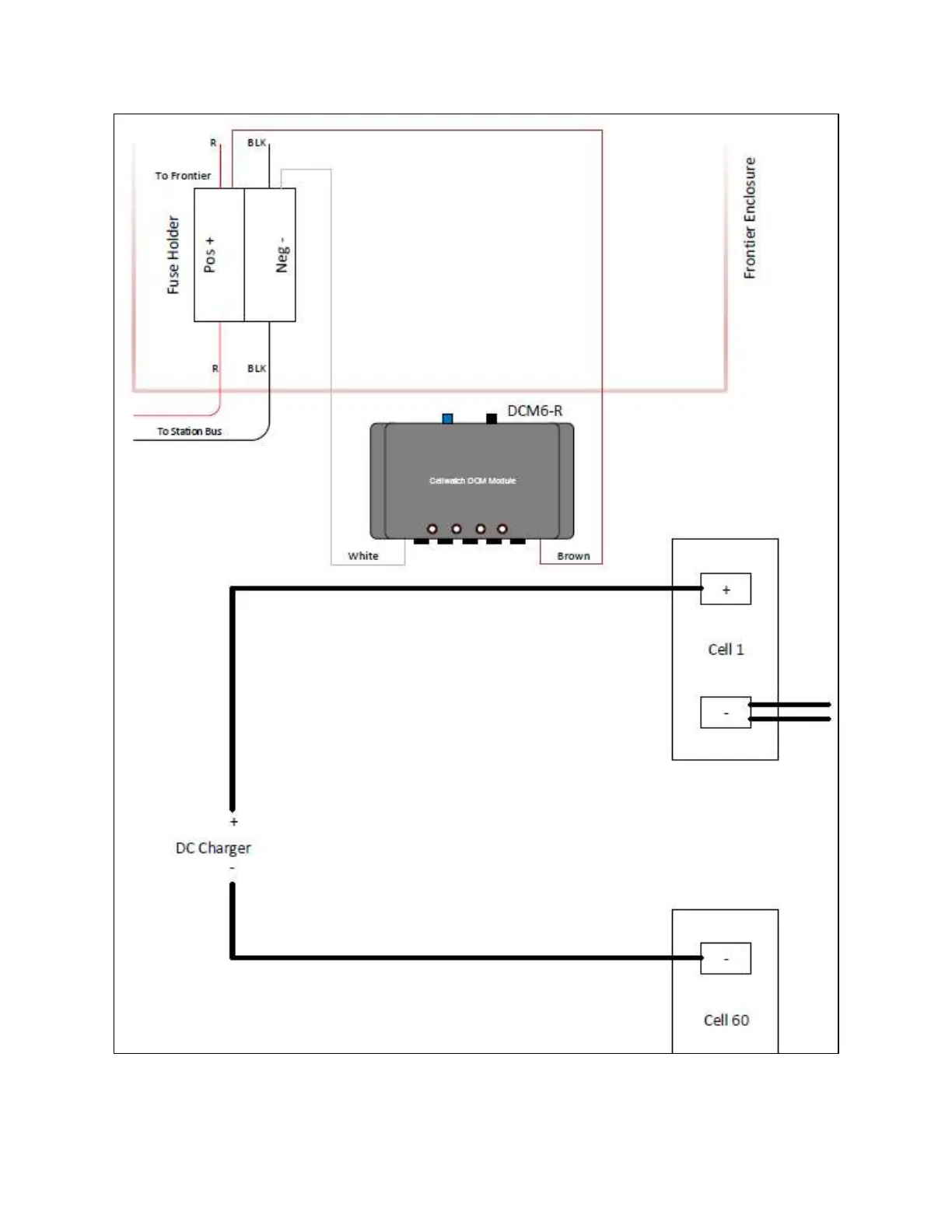
Wiring for a system less than 300v. For over 300v, use a DCM6-R-600 across the entire string.

Table of Contents