EasyManua.ls Logo

Delta DPS-400K - Battery Mode (Single)

Delta DPS-400K
152 pages
Print Icon
To Next Page IconTo Next Page
To Next Page IconTo Next Page
To Previous Page IconTo Previous Page
To Previous Page IconTo Previous Page
Loading...
3-3
3
Operation Modes
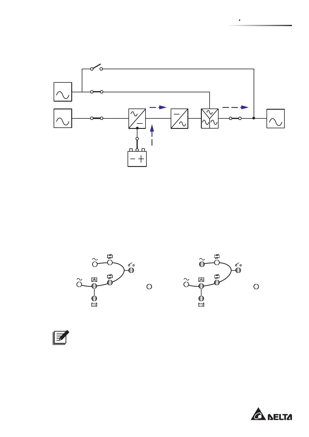
3.2 Battery Mode (Single)
(Figure 3-2: Path of Electrical Power through the UPS in Battery Mode)
BYPA.
LOAD
MAIN
Q3 Switch
Q2 Switch
Q1 Switch
Rectifier Inverter
Circuit
Breaker
Batteries
STS
Q4 Switch
The UPS transfers to battery mode automatically if the main AC source cannot supply
power, for example, when unstable voltage or a power outage occurs. In battery mode,
the batteries provide DC power and the inverter converts it into AC power and supplies
it to the connected critical loads via the static switch and the Output Switch (Q4). During
the conversion process, output voltage remains the same, and during battery mode, LEDs
illuminate as follows.
Fault
(Single Input)
Fault
(Dual Input)
NOTE:
The default setting is single input. Please refer to 5.4.2 Single Input/ Dual
,QSXW0RGL¿FDWLRQ.

Table of Contents

Related product manuals