EasyManua.ls Logo

Delta DPS-400K - Bypass Mode (Parallel)

Delta DPS-400K
152 pages
Print Icon
To Next Page IconTo Next Page
To Next Page IconTo Next Page
To Previous Page IconTo Previous Page
To Previous Page IconTo Previous Page
Loading...
3-9
3
Operation Modes
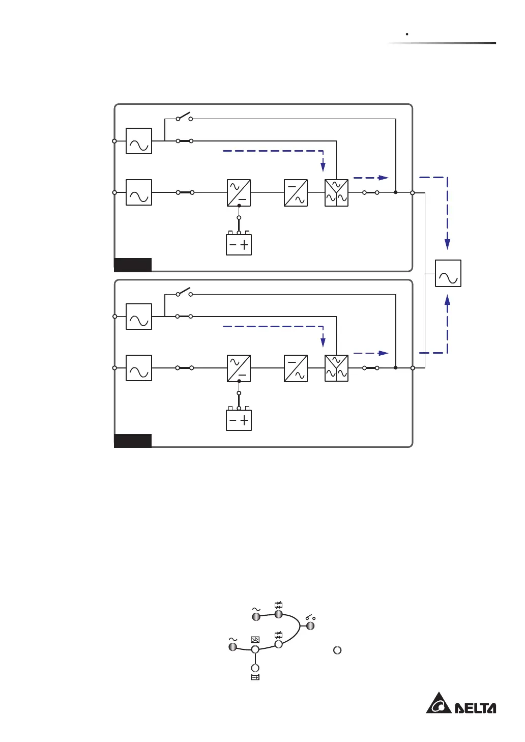
3.8 Bypass Mode (Parallel)
UPS 1
LOAD
UPS 2
MAIN
BYPA.
BYPA.
MAIN
Q3 Switch
Q2 Switch
Q1 Switch
Rectifier Inverter
Circuit
Breaker
Batteries
STS
Q4 Switch
Q3 Switch
Q2 Switch
Q1 Switch
Rectifier Inverter
Circuit
Breaker
Batteries
STS
Q4 Switch
(Figure 3-8: Path of Electrical Power through the Parallel UPSs in Bypass Mode)
In parallel mode, when all inverters encounter abnormal situations such as over
temperature, overload, short circuit, abnormal output voltage and battery depletion, they will
automatically shut themselves down to protect the UPSs’ systems. Meanwhile, if all UPSs
detect the bypass AC source is normal, they will automatically switch to bypass mode to
protect the connected critical loads from power interruption. The critical loads will be equally
shared by all parallel units. After the abnormalities mentioned above are eliminated, the
UPSs will switch back to normal mode from bypass mode. During bypass mode, all parallel
UPSs’ LEDs illuminate as follows.
Fault

Table of Contents

Related product manuals