EasyManua.ls Logo

Delta DPS-400K - Battery Mode (Parallel)

Delta DPS-400K
152 pages
Print Icon
To Next Page IconTo Next Page
To Next Page IconTo Next Page
To Previous Page IconTo Previous Page
To Previous Page IconTo Previous Page
Loading...
3-8
Ultron DPS Series
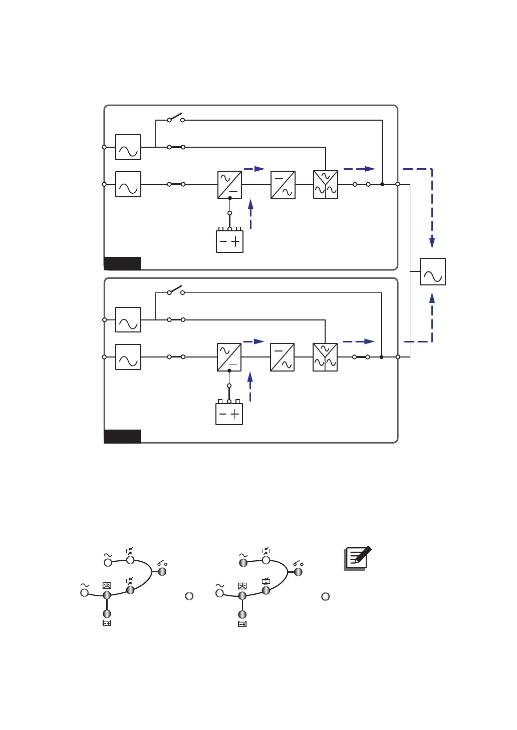
3.7 Battery Mode (Parallel)
UPS 1
LOAD
UPS 2
BYPA.
MAIN
MAIN
BYPA.
Q3 Switch
Q2 Switch
Q1 Switch
Rectifier Inverter
Circuit
Breaker
Batteries
STS
Q4 Switch
Q3 Switch
Q2 Switch
Q1 Switch
Rectifier Inverter
Circuit
Breaker
Batteries
STS
Q4 Switch
(Figure 3-7: Path of Electrical Power through the Parallel UPSs in Battery Mode)
If the main AC source cannot supply power, for example, when unstable voltage or a power
outage occurs, all parallel UPSs will automatically transfer from normal mode to battery
mode. During the transfer process, output voltage remains the same, and during battery
mode, all parallel UPSs’ LEDs illuminate as follows.
Fault
(Single Input)
Fault
(Dual Input)
NOTE:
The default setting is
single input. Please
refer to 5.4.2 Single
Input/ Dual Input
0RGL¿FDWLRQ.

Table of Contents

Related product manuals