EasyManua.ls Logo

Delta DPS-400K - Manual Bypass Mode (Parallel)

Delta DPS-400K
152 pages
Print Icon
To Next Page IconTo Next Page
To Next Page IconTo Next Page
To Previous Page IconTo Previous Page
To Previous Page IconTo Previous Page
Loading...
3-10
Ultron DPS Series
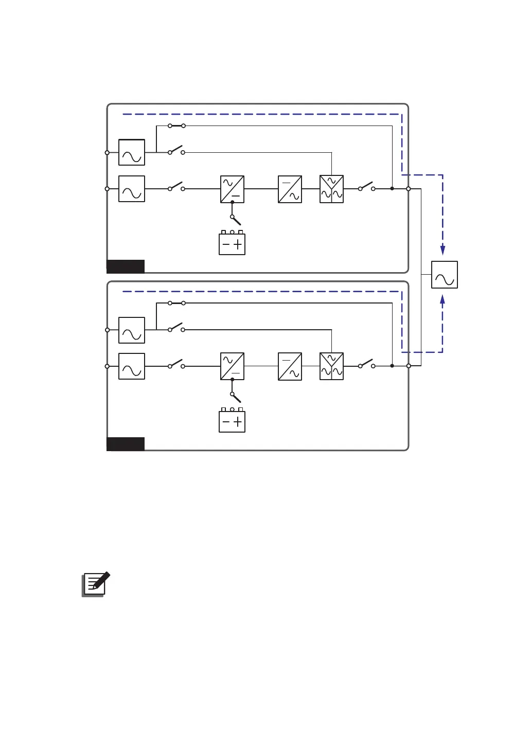
3.9 Manual Bypass Mode (Parallel)
UPS 1
LOAD
UPS 2
MAIN
BYPA.
MAIN
BYPA.
Q3 Switch
Q3 Switch
Q2 Switch
Q1 Switch
Rectifier Inverter
Circuit
Breaker
Batteries
STS
Q4 Switch
Q2 Switch
Q1 Switch
Rectifier Inverter
Circuit
Breaker
Batteries
STS
Q4 Switch
(Figure 3-9: Path of Electrical Power through the Parallel UPSs in Manual Bypass Mode)
In parallel mode, if you want a UPS to run in manual bypass mode, please confirm that
WKHE\SDVV$&VRXUFHLVQRUPDO$IWHUFRQ¿UPDWLRQ\RXFDQPDQXDOO\VZLWFKDOO836VWR
manual bypass mode. In manual bypass mode, all power inside the UPSs is completely
cut off and maintenance personnel can perform maintenance safely. The connected critical
loads will be equally supplied by the parallel units (see Figure 3-9). During manual bypass
mode, no LED illuminates.
NOTE:
1. After the power inside all parallel UPSs has been completely cut off, there is
no high voltage inside the UPSs except the wiring terminals and the Manual
Bypass Switch (Q3). Do not touch the wiring terminals or Manual Bypass
Switch (Q3) to avoid electrical shock.
2. For parallel UPSs, if you want to turn off one of the parallel UPSs for main-
tenance, please make sure the connected critical loads will not exceed the
remaining parallel units’ total capacity.

Table of Contents

Related product manuals