EasyManua.ls Logo

Dickey-John Flex4 Pro - Appendix C

Dickey-John Flex4 Pro
152 pages
Print Icon
To Next Page IconTo Next Page
To Next Page IconTo Next Page
To Previous Page IconTo Previous Page
To Previous Page IconTo Previous Page
Loading...
OPERATOR’S MANUAL
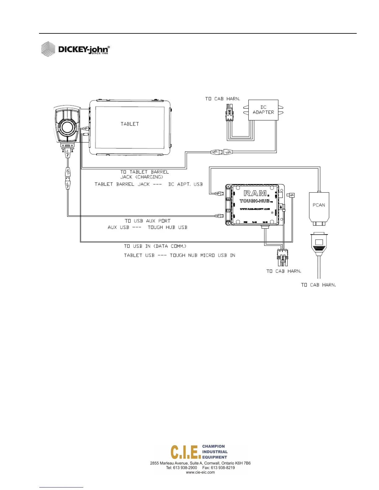
APPENDIX C
Flex4 Pro
TM
Control System
6010541 Rev A
APPENDIX C / 147

Table of Contents

Related product manuals