EasyManua.ls Logo

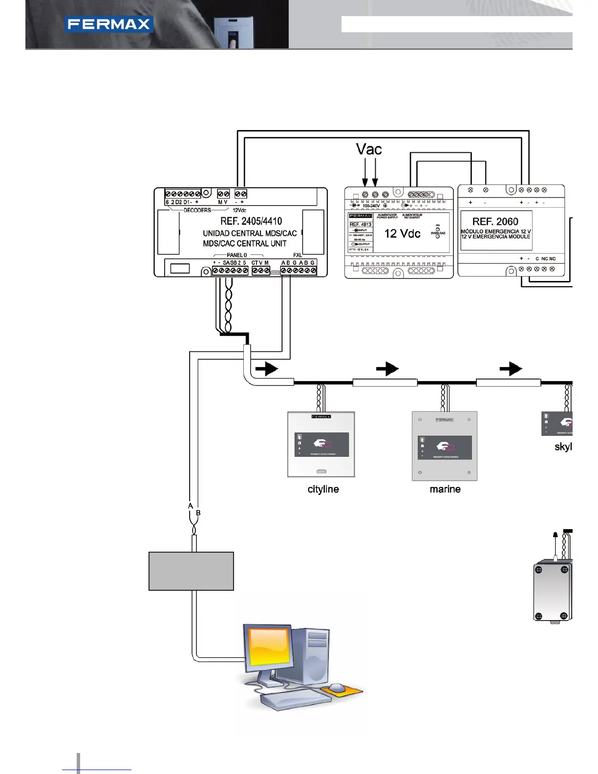
Fermax Cityline - Installation Diagram for Readers with Integrated Contgroller (MDS;CAC)

Fermax Cityline
100 pages
Print Icon
To Next Page IconTo Next Page
To Next Page IconTo Next Page
To Previous Page IconTo Previous Page
To Previous Page IconTo Previous Page
Loading...
78 2011 ACCESS CONTROL
2011 ACCESS CONTROL 79
78 2011 ACCESS CONTROL
2011 ACCESS CONTROL 79
INSTALLATION DIAGRAM FOR READERS WITH INTEGRATED CONTROLLER
(MDS/CAC)
CENTRALISED
PC
INTERFACE

Table of Contents

Other manuals for Fermax Cityline

Related product manuals