EasyManua.ls Logo

Fermax Cityline - Double Technology Reader Installation Diagram

Fermax Cityline
100 pages
Print Icon
To Next Page IconTo Next Page
To Next Page IconTo Next Page
To Previous Page IconTo Previous Page
To Previous Page IconTo Previous Page
Loading...
84 2011 ACCESS CONTROL
2011 ACCESS CONTROL 85
84 2011 ACCESS CONTROL
2011 ACCESS CONTROL 85
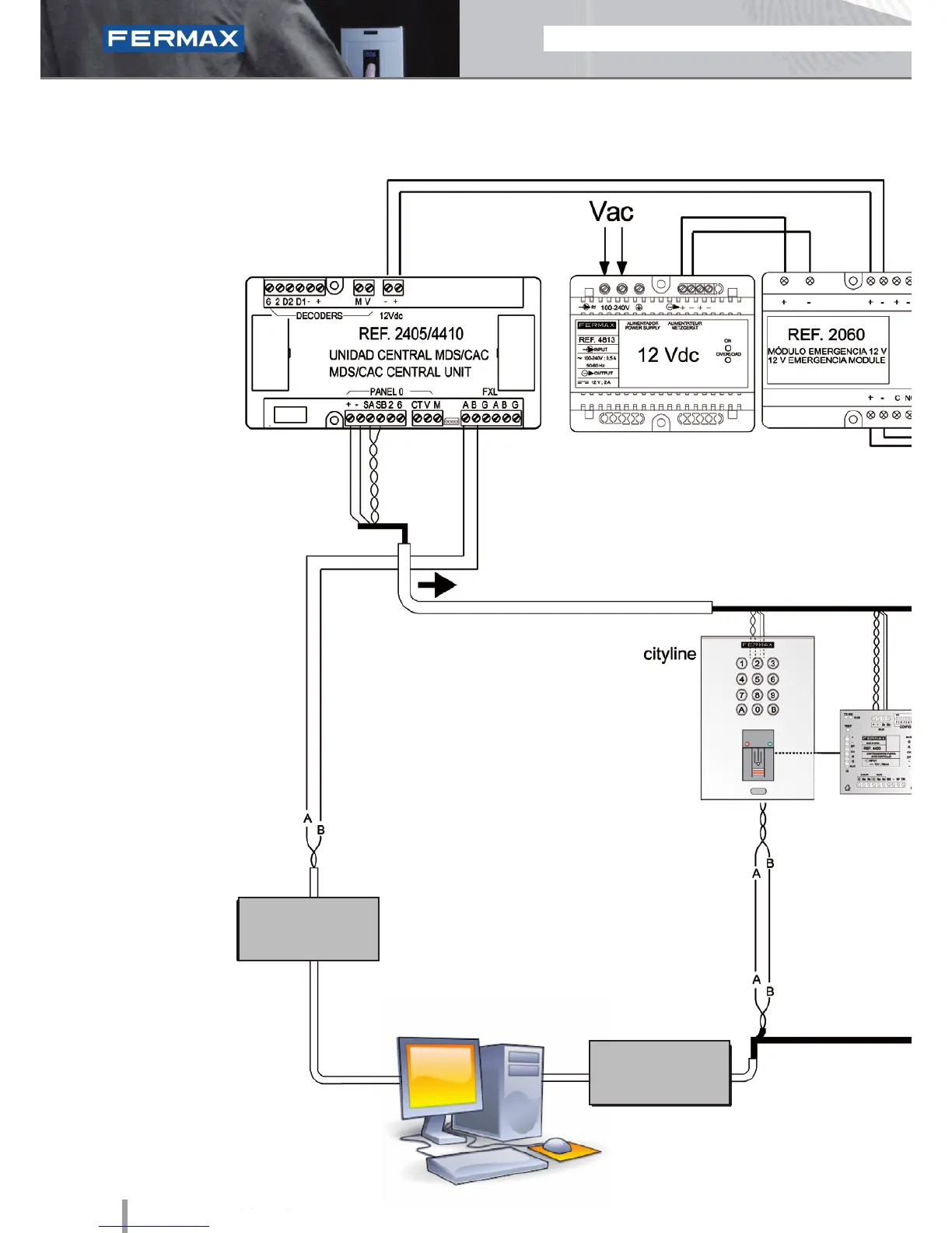
DOUBLE TECHNOLOGY READER INSTALLATION DIAGRAM
CENTRALISED
PC
INTERFACE
PC
INTERFACE

Table of Contents

Other manuals for Fermax Cityline

Related product manuals