EasyManua.ls Logo

Fischer Panda 18 - Overloading the Generator

Fischer Panda 18
250 pages
Print Icon
To Next Page IconTo Next Page
To Next Page IconTo Next Page
To Previous Page IconTo Previous Page
To Previous Page IconTo Previous Page
Loading...
Generator Faults
Seite/Page 186 - Kaptitel/Chapter 8: Generator Faults 18.12.15
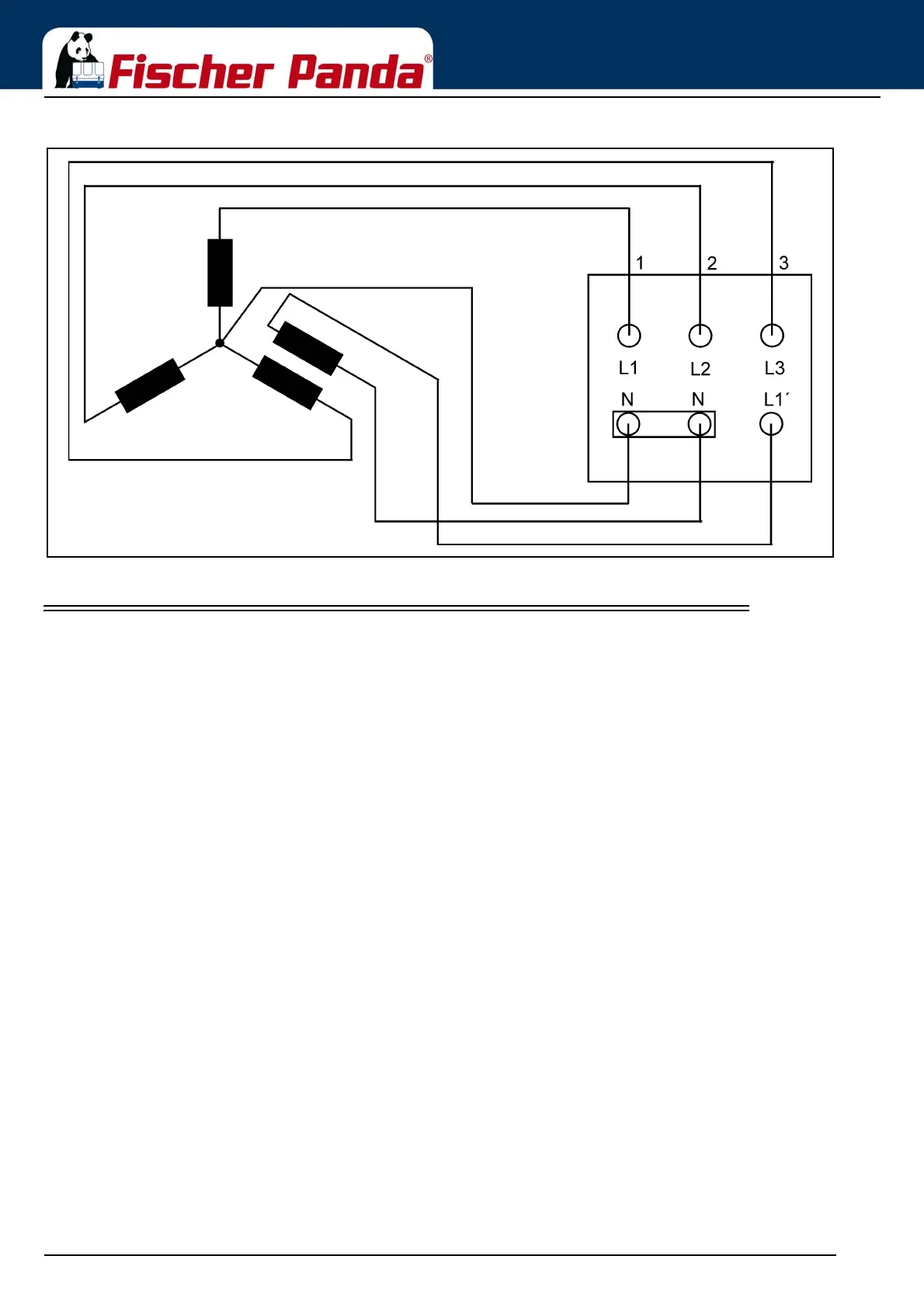
Fig. 8.5.0-11: Wiring diagram DVS - 230 V + 400 V / 50 Hz
8.6 Overloading the generator
Please ensure that the generator is not overloaded. This must be considered, especially with regards to multi power
generators. In this case the extra load including the electrical performance can be considerably greater than the
drive performance of the motor, which can eventually lead to a damaged motor.
The full nominal performance of the generator is fore-mostly for short term use. It is, however, required to start
electric motors with high starting current or achieve special starting procedures at peak loads. 70% nominal load is
ideal for a long motor life. (Continual use means uninterrupted use of the generator for many hours). This should be
taken into consideration when connecting devices. This ensures extended motor life.
It is no problem for the motor to be run occasionally for 2 - 3 hours at full load. The complete conception of Panda
Generator ensures that even during extreme conditions, an overheating of the motor will not occur. Accumulation of
soot will occur if run for long periods at full load.
Effects of Short Circulating and Overloading on the Generator
The generator cannot be damaged by short-circuit or overloading. Short-circuit and overloading suppress the
magnetic excitation of the generator, thus, no current is generated and the voltage will collapse. This condition is
immediately offset, once the short circuit has been eliminated and/or the electrical overload removed.
Overloading the Generator with Electric Motors
With the operation of electric motors it must be considered that these take up a multiple of their rated output as
starting current (six to tenfold).
If the power of the generator for the engine is not sufficient, the voltage in the generator breaks down after switching
on the engine. For special approach problems the manufacturer can give recommendations regarding the
accomplishment of the situation (e.g. amplified condensers, gradual start switch or extra developed starting unit for
electric motors).
The system efficiency can be improved up to 50% and the starting current can be improved up to 100% by a
professional adjustment of the engines. If the inductive load (electrical motors etc.) lies over 20% of the generator
rated output compensation is appropriate (see in addition also the writing: „Operation Instructions for Generators
with Inductive Loads“).

Table of Contents

Related product manuals