EasyManua.ls Logo

Fuji Electric Frenic Mega Series - Control Block; V;F Control

Fuji Electric Frenic Mega Series
774 pages
Print Icon
To Next Page IconTo Next Page
To Next Page IconTo Next Page
To Previous Page IconTo Previous Page
To Previous Page IconTo Previous Page
Loading...
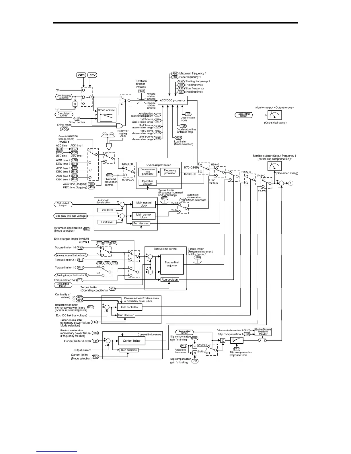
8.4 Control Block
8-6
8.4 Control Block
8.4.1 V/f control
Figure 8.4-1 (1) V/f Control Block

Table of Contents

Related product manuals