EasyManua.ls Logo

Fuji Electric Frenic Mega Series - Vector Control With;Without Speed Sensor

Fuji Electric Frenic Mega Series
774 pages
Print Icon
To Next Page IconTo Next Page
To Next Page IconTo Next Page
To Previous Page IconTo Previous Page
To Previous Page IconTo Previous Page
Loading...
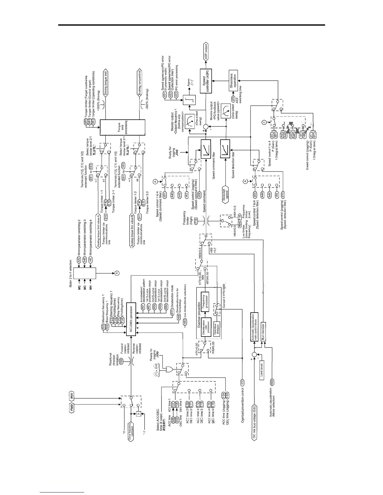
8.4 Control Block
8-10
8.4.3 Vector control with/without speed sensor
8.4-3 (1) Block of Vector Control with/without Speed Sensor

Table of Contents

Related product manuals