EasyManua.ls Logo

Fuji Electric Frenic Mega Series - Checking Changed Function Codes Menu #2 Data Checking

Fuji Electric Frenic Mega Series
774 pages
To Next Page IconTo Next Page
To Next Page IconTo Next Page
To Previous Page IconTo Previous Page
To Previous Page IconTo Previous Page
Loading...
3.4 Programming Mode
3-25
Chapter 3
KEYPAD FUNCTIONS
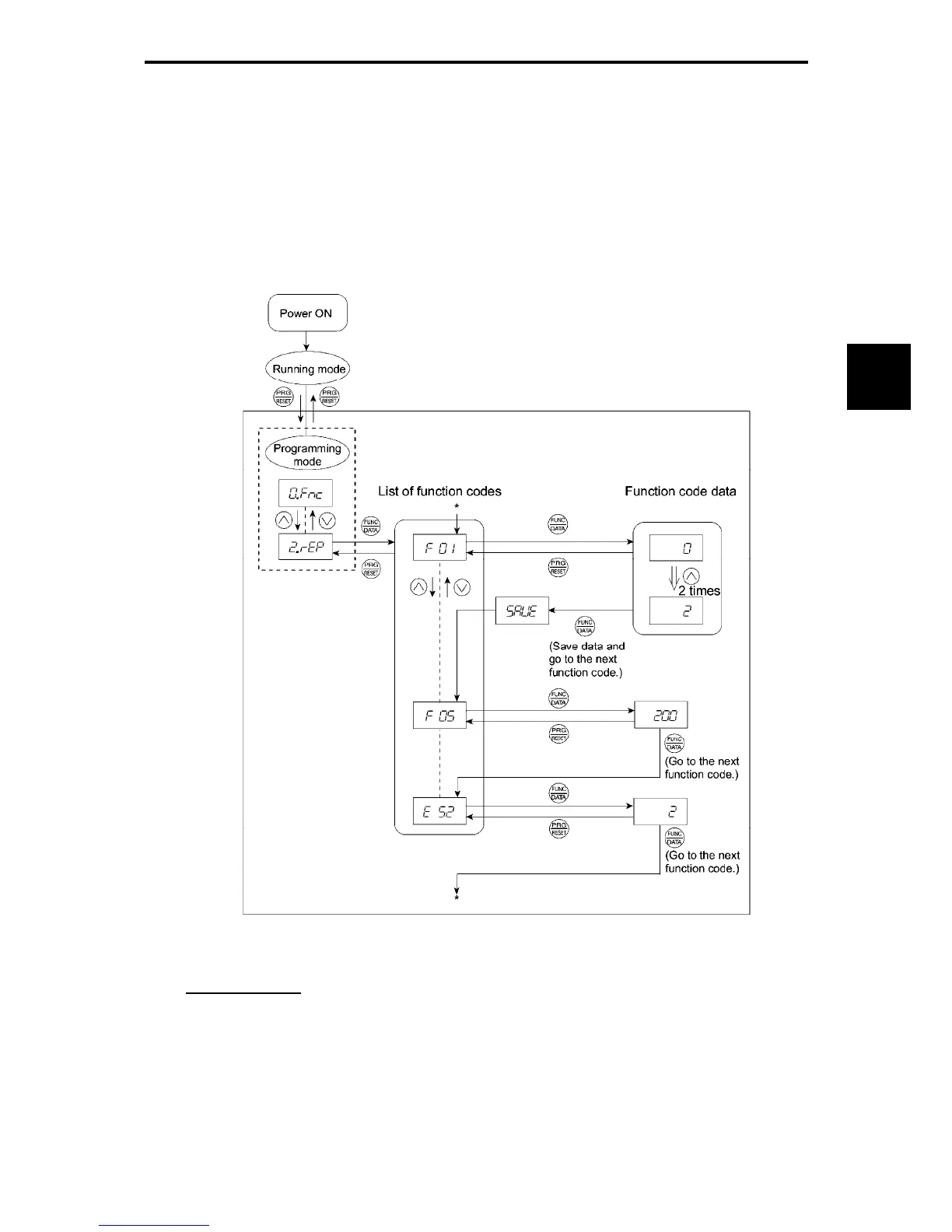
3.4.3 Checking changed function codes Menu #2 "Data Checking"
Menu #2 "Data Checking:
"rep
" in Programming mode allows you to check function codes that have
been changed. Only the function codes whose data has been changed from the factory defaults are
displayed on the LED monitor. You can refer to the function code data and change it again if necessary.
To check function codes in Menu #2 "Data Checking," it is necessary to set function code E52 to "1"
(Function code data check mode) or "2" (Full-menu mode).
Figure 3.4-5 shows the menu transition in Menu #2 "Data Checking."
Figure 3.4-5 Menu Transition in Menu #2 "Data Checking" (Changing F01, F05 and E52 data only)
Basic key operation
The basic key operation is just like that in Menu #0 "Quick Setup."

Table of Contents

Related product manuals