EasyManua.ls Logo

Fuji Electric Frenic Mega Series - VF Control with Speed Sensor

Fuji Electric Frenic Mega Series
774 pages
To Next Page IconTo Next Page
To Next Page IconTo Next Page
To Previous Page IconTo Previous Page
To Previous Page IconTo Previous Page
Loading...
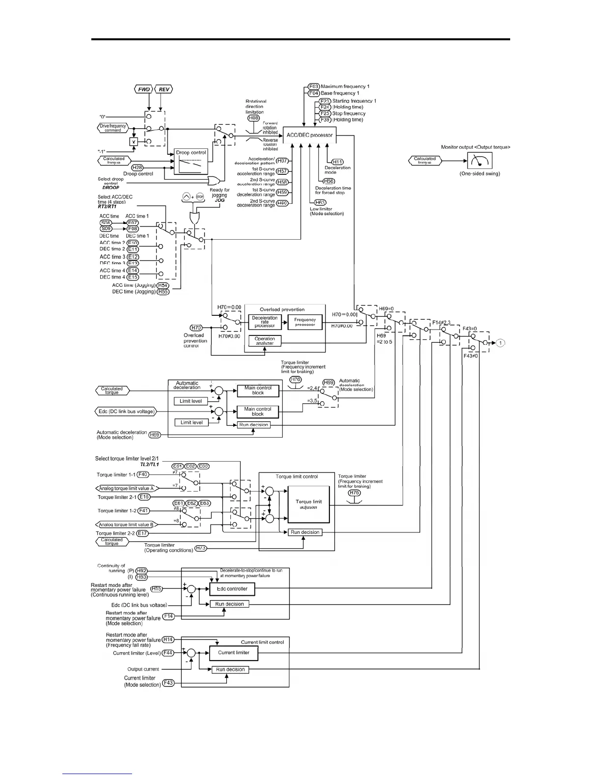
8.4 Control Block
8-8
8.4.2 V/f control with speed sensor
Figure 8.4-2 (1) Block of V/f Control with Speed Sensor

Table of Contents

Related product manuals