EasyManua.ls Logo

Fuji Electric Frenic Mega Series - Page 486

Fuji Electric Frenic Mega Series
774 pages
To Next Page IconTo Next Page
To Next Page IconTo Next Page
To Previous Page IconTo Previous Page
To Previous Page IconTo Previous Page
Loading...
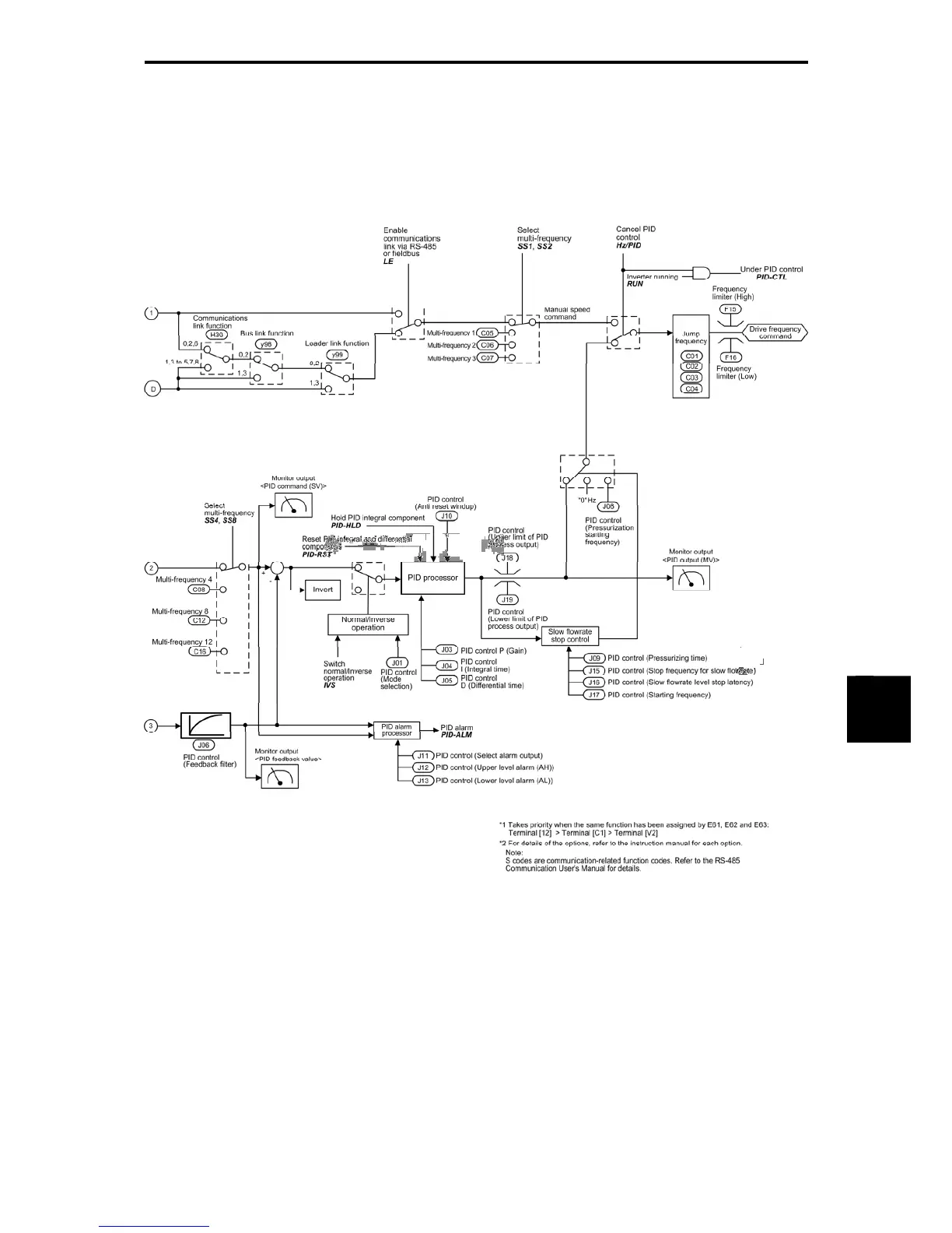
8.5 PID Process Control Block
8-13
Chapter 8 BLOCK DIAGRAMS FOR CONTROL LOGIC
Figure 8.5-1- (2) PID Process Control Block

Table of Contents

Related product manuals