EasyManua.ls Logo

Fuji Electric Frenic Mega Series - Page 488

Fuji Electric Frenic Mega Series
774 pages
Print Icon
To Next Page IconTo Next Page
To Next Page IconTo Next Page
To Previous Page IconTo Previous Page
To Previous Page IconTo Previous Page
Loading...
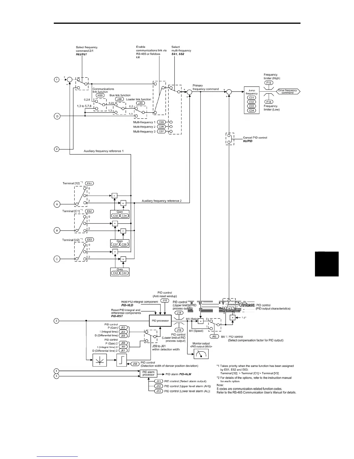
8.6 PID Dancer Control Block
8-15
Chapter 8 BLOCK DIAGRAMS FOR CONTROL LOGIC
Figure 8.6-1- (2) PID Dancer Control Block

Table of Contents

Related product manuals